EasyManua.ls Logo

Wavemaster TWO NEO - Page 5

Wavemaster TWO NEO
Print Icon
To Next Page IconTo Next Page
To Next Page IconTo Next Page
To Previous Page IconTo Previous Page
To Previous Page IconTo Previous Page
Loading...
Deutsch
Aufbau & Bedienung
Der Aufbau und die Bedienung des wavemaster TWO NEO/PRO sind sehr einfach.
Bitte beachten Sie, alle Anschlüsse nur im ausgeschalteten Zustand (POWER OFF)
durchzuführen.
Stellen Sie die Lautsprecher an den gewünschten Platz und beginnen Sie mit der
Verkabelung.
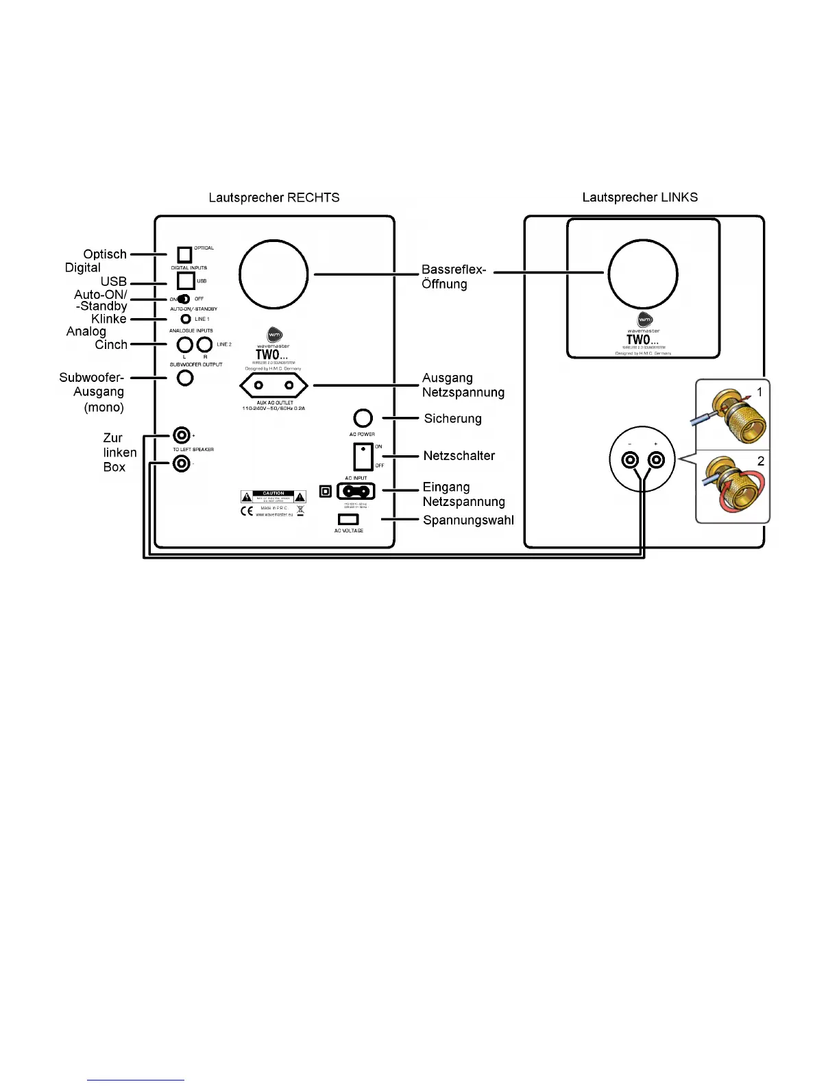
Zuerst verbinden Sie die linke Box mit der rechten Box mittels Lautsprecherkabel. Die
vergoldeten Schraubanschlüsse können durch drehen gelöst werden. Die abisolierten
Kabelenden werden so in die Querlöcher eingesteckt, daß rot mit rot und schwarz mit
schwarz bei beiden Boxen verbunden werden. Drehen Sie die Schraubkappen mit der Hand
fest, so daß die Kabelenden guten Kontakt bekommen und die Verbindung des Ausgangs
der rechten (aktiven) Box zum Eingang der linken (passiven) Box hergestellt wird.
Bitte achten Sie darauf, Kurzschlüsse zwischen roten (+) und schwarzen (-)
Anschlüssen unbedingt zu vermeiden, um Fehlfunktion und Defekte auszuschließen!
Verbinden Sie nun die Eingangsbuchsen auf der Rückseite des TWO NEO/PRO mit Ihren
entsprechenden Audioquellen.
Die LINE 1 Klinken-Buchse ist für Geräte mit niedrigerem Line-Signalpegel wie z.B. portable
MP3-Player, Smartphones o.ä. vorbereitet.
Die Cinch-Buchsen LINE 2 sind für Geräte mit Standard Line-Signalpegel wie z.B. PC oder
stationäre HiFi-Komponenten vorbereitet.
Die optische TOSLINK-Buchse kann digitale PCM-Stereo-Signale annehmen.
5

Related product manuals