EasyManua.ls Logo

Wavetek 171 - Page 17

Default Icon
43 pages
Print Icon
To Next Page IconTo Next Page
To Next Page IconTo Next Page
To Previous Page IconTo Previous Page
To Previous Page IconTo Previous Page
Loading...
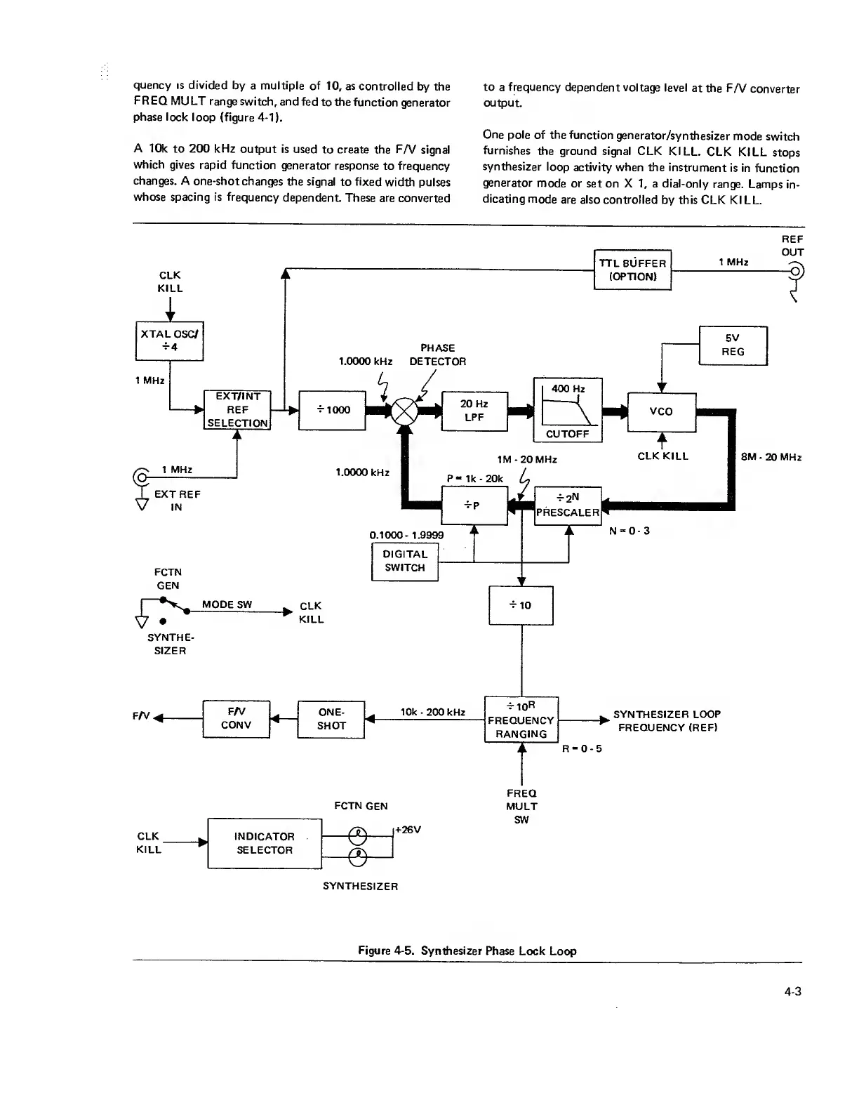
quency
is divided
by a multiple
of
10,
as
controlled
by the
FREQ
MULT
range switch,
and fed
to the function
generator
phase
lock loop (figure 4-1
).
A
10k
to 200
kHz
output is used
to
create
the F
N
signal
which
gives
rapid function
generator
response
to frequency
changes.
A one-shot
changes the
signal
to
fixed
width
pulses
whose spacing is
frequency
dependent.
These are
converted
to
a
frequency
dependent voltage
level
at
the
FA/
converter
output.
One pole
of the function
generator/synthesizer
mode
switch
furnishes
the
ground signal CLK
KILL.
CLK
KILL
stops
synthesizer
loop activity when
the instrument
is in
function
generator
mode
or
set on X
1,
a dial-only
range.
Lamps
in-
dicating
mode
are also controlled
by
this
CLK KILL.
TTL
BUFFER
(OPTION)
XTAL
OSC/
5V
-4
PHASE
REG
i
I.OOOOkHz DETECTOR
EXT/I
NT
REF
SELECTION
EXT
REF
IN
1.0000 kHz
1M
-
20 MHz
P- Ik
-20k L
*p
Lu
*
2N
l
^^prescalerF
CLK KILL
8M
-
20 MHz
0.1000-
1.9999
DIGITAL
_
SWITCH
~
N
=
0
-
3
7
SYNTHE-
SIZER
10k
-
200 kHz
-r
10
R
FREQUENCY
RANGING
SYNTHESIZER LOOP
FREQUENCY (REF)
FCTN
GEN
IIHL/IUM
1
Wn
SELECTOR
/T\
SYNTHESIZER
Figure
4-5.
Synthesizer
Phase Lock Loop

Other manuals for Wavetek 171