EasyManua.ls Logo

Webb WEER40 - Page 24

Webb WEER40
36 pages
Print Icon
To Next Page IconTo Next Page
To Next Page IconTo Next Page
To Previous Page IconTo Previous Page
To Previous Page IconTo Previous Page
Loading...
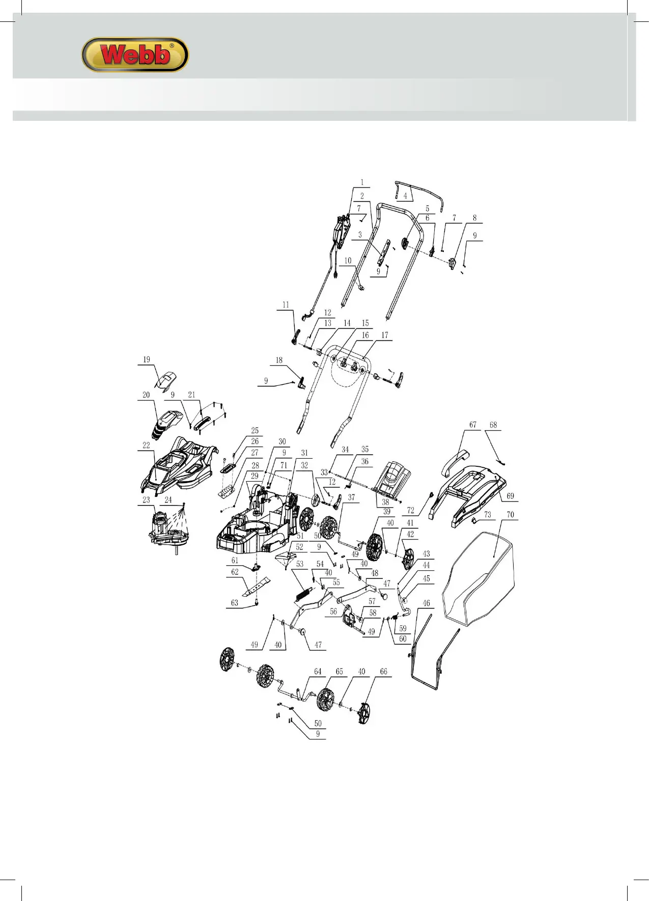
PARTS LIST - WEER36 1938123002
Item
No.
Webb Part No.
Webb Description
Qty
Item
No.
Webb Part No.
Webb Description
Qty
1
WE125-4080063
Switch Box Assembly
1
37
WE125-103050259
Rear Axle
1
2
WE125-103080444
Top Handle (With Foam)
1
38
WE124-301070916
Grass Flap
1
3
WE125-0301062831
Switch Box Small Cap
1
39
WE125-301070924
Rear Wheel
2
4
WE125-103990876
OPC Lever
1
40
WE125-104010258
Washer
7
5
WE125-301070717
Left Permanent Seat
1
41
WE125-104050024
Split Washer
4
6
WE125-301062827
Left Clamp
1
42
WE125-301070923
Rear Wheel Trim
2
7
WE125-104040082
M4x8 Bolt
3
43
WE125-301062852
Height Adjuster Handle
1
8
WE125-301070716
Left Fix Cover
1
44
WE125-103990880
Height Adjuster Lever
1
9
WE125-104030136
ST4.2X15BT Screw
23
45
WE125-104030203
M4x8 Screw
2
10
WE125-0301070806
Cable Clip
2
46
WE125-103020147
Collector Support
1
11
WE125-301070899
Quick Release Handle
4
47
WE125-301062851
Pin Shaft (LMA36)
2
12
WE125-103990795
Spring Pin
4
48
WE125-103990799
Back Connecting Rod
1
13
WE125-104040202
M8×73 bolt
2
49
WE125-103990811
Split Pin
3
14
WE125-301070779
Quick Release Support
2
50
WE124-103990797
Press Plate
6
15
WE125-301070780
Quick Release Washer
2
51
WE125-301070837
Axle Cover
1
16
WE125-301070781
Triangle Knob
2
52
WE125-104030135
ST4.2*12 Screw
4
Hex Nut
2
53
WE125-103060289-1
Tension Spring
1
17
WE125-103020159
Lower Handle
1
54
WE125-103990750
Pin
1
18
WE124-16
Cable Winder
2
55
WE125-103990798
Front Connecting Rod
1
19
WE124-301070910
Motor Cover
1
56
WE125-301062854
Adjusting Bracket
1
20
WE124-301070911
Air Window Cover
1
57
WE125-301062853
Long Pin Shaft (LMA36)
1
21
WE124-301070396F
Motor Cover Carry Handle
1
58
WE125-103050261
Adjusting Bracket Shaft
1
22
WE125-301070920
Upper Cover
1
59
WE125-103060285
Tosional Spring
1
23
WE125-04070249
Motor Assembly
1
60
WE125-104010257
Washer
7
24
WE125-104030423
ST4.2x18 Screw
7
61
WE125-301070794
Blade Support Plate
1
25
WE125-104030300
M5×12 Screw
2
62
WE125-103030127
Blade
1
26
WE125-103990881
Height Adjuster Back Plate
1
63
WE124-104040205
Blade Flange Bolt
1
27
WE125-105020068
Gland
1
64
WE125-103050274
Front Axle
1
28
WE125-104020017
Locknut
2
65
WE125-301062850
Front Wheel
2
29
WE124-103050242
Shield Bearing
1
66
WE125-301062849
Front Wheel Trim
2
30
WE125-104020077
Hex Nut
2
67
WE124-301070580P
Collector Carry Handle
1
31
WE125-301070921
Upper Deck
1
68
WE124-301062859
Full Indicator Flap
1
32
WE125-301070902
Lower Handle Adjuster
2
69
WE124-301070917
Collector Top
1
33
WE125-104040215
Adjusting Bolt
2
70
WE125-105011067
Lower Collector
1
34
WE124-104050028
Split Washer
2
71
WE125-301990135
Pressing Line Plate
1
35
WE124-103050260
Grass Flap Axle
1
72
WE125-301070919
Collector Right Plug
1
36
WE124-103060300
Torsional Spring
1
73
WE125-301070922
Collector Left Plug
1
NOTE: Parts Lists are supplied for information purposes only, not all parts are stocked individually & we
recommend you contact our Spares Team on 01793 333212 for expert advice.
PARTS DIAGRAM - WEER36 1938123002
NOTE: Parts Lists are supplied for information purposes only, not all parts are stocked individually & we recommend
you contact our Spares Team on 01793 333212 for expert advice.
INSTRUCTION MANUAL

Other manuals for Webb WEER40

Related product manuals