EasyManua.ls Logo

Webb WEER40 - Page 26

Webb WEER40
36 pages
Print Icon
To Next Page IconTo Next Page
To Next Page IconTo Next Page
To Previous Page IconTo Previous Page
To Previous Page IconTo Previous Page
Loading...
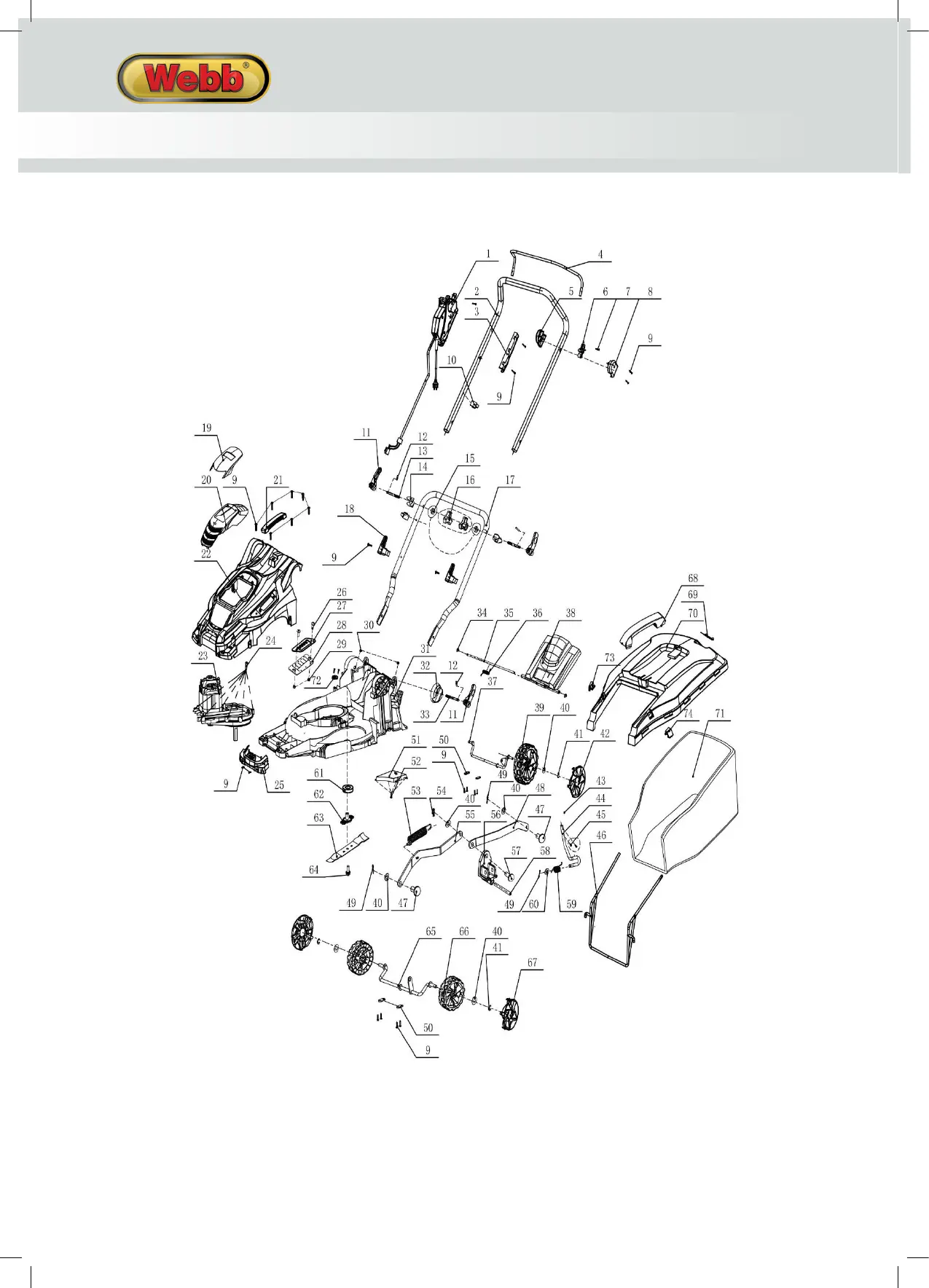
PARTS LIST - WEER40 1938124003
Item
No.
Webb Part No.
Webb Description
Qty
Item
No.
Webb Part No.
Webb Description
Qty
1
WE126-4080061
Switch Box Assembly
1
38
WE126-301070903
Grass Flap
1
2
WE125-103080444
Top Handle (With Foam)
1
39
WE126-301062836
Rear Wheel
2
3
WE125-0301062831
Switch Box Small Cap
1
40
WE125-104010258
Washer
7
4
WE125-103990876
Opc Lever
1
41
WE125-1040500024
Split Washer
4
5
WE125-301070717
Left Permanent Seat
1
42
WE126-301062835
Rear Wheel Trim
2
6
WE125-301062827
Left Clamp
1
43
WE125-301062852
Height Adjuster Handle
1
7
WE125-104040082
M4x8 Bolt
3
44
WE126-103990877
Height Adjuster Lever
1
8
WE125-301070716
Left Fix Cover
1
45
WE125-104030203
M4x8 Screw
2
9
WE125-104030136
ST4.2X15BT Screw
23
46
WE126-103020148
Collection Bag Frame
1
10
WE125-0301070806
Cable Clip
2
47
WE125-301062851
Pin Shaft
2
11
WE125-301070899
Quick Release Handle
4
48
WE125-103990799
Back Connecting Rod
1
12
WE125-103990795
Spring Pin
4
49
WE125-103990811
Split Pin
3
13
WE125-104040202
M8×73 Bolt
2
50
WE124-103990797
Press Plate
6
14
WE125-301070779
Quick Release Support
2
51
WE126-301070797
Housing Insert
1
15
WE125-301070780
Quick Release Washer
2
52
WE125-104030135
St4.2*12 Screw
4
16
WE125-301070781
Triangle Knob
2
53
WE125-103060289-1
Tension Spring
1
Hex Nut
2
54
WE125-103990750
Pin
1
17
WE126-103020160
Lower Handle
1
55
WE125-103990798
Front Connecting
Rod
1
18
WE124-16
Cable Winder
2
56
WE126-301070796
Adjusting Bracket
1
19
WE124-301070910
Motor Cover
1
57
WE125-301062853
Long Pin Shaft
1
20
WE124-301070911
Air Window Cover
1
58
WE126-103050254
Adjusting Bracket
Shaft
1
21
WE124-301070396F
Motor Cover Carry
Handle
1
59
WE125-103060285
Height Adjuster
Spring
1
22
WE126-301070900
Upper Deck
1
60
WE125-104010257
Washer
7
23
WE126-04070214
Motor Assembly
1
61
WE124-103050242
Bearing
1
24
WE125-104030423
ST4.2x18 Screw
7
62
WE125-301070794
Blade Support Plate
1
25
WE126-301070901
Front Bumper
1
63
WE126-103030128
Blade
1
26
WE125-104030300
M5×12 Screw
2
64
WE124-104040205
M8x20 Blade
Flange Bolt
1
27
WE126-103990796
Height Adjuster Back
Plate
1
65
WE126-103050273
Front Axle
1
28
WE126-105020065
Height Adjuster Frame
1
66
WE125-301062850
Front Wheel
2
29
WE125-104020017
Locknut
2
67
WE125-301062849
Front Wheel Trim
2
30
WE125-104020077
Hex Nut
2
68
WE124-301070580P
Collector Carry Handle
1
31
WE126-301070789
Lower Deck
1
69
WE124-301062859
Full Indicator Flap
1
32
WE125-301070902
Lower Handle
Adjuster
2
70
WE126-301070904
Collector Top
1
33
WE125-104040215
Adjusting Bolt
2
71
WE126-105011065
Lower Collector
1
34
WE126-104050022
Split Washer
2
72
WE125-301990135
Pressing Line Plate
1
35
WE126-103050256
Grass Flap Axle
1
73
WE126-301070905
Grass Collecting
Basket Right Plug
1
36
WE126-103060290
Grass Flap Spring
1
74
WE126-301070906
Grass Collecting
Basket Left Plug
1
37
WE126-10305272
Rear Axle
1
NOTE: Parts Lists are supplied for information purposes only, not all parts are stocked individually & we
recommend you contact our Spares Team on 01793 333212 for expert advice.
PARTS DIAGRAM - WEER40 1938124003
NOTE: Parts Lists are supplied for information purposes only, not all parts are stocked individually & we
recommend you contact our Spares Team on 01793 333212 for expert advice.
INSTRUCTION MANUAL

Other manuals for Webb WEER40

Related product manuals