EasyManua.ls Logo

WEDICO Peterbilt 41 - Page 2

WEDICO Peterbilt 41
15 pages
Print Icon
To Next Page IconTo Next Page
To Next Page IconTo Next Page
To Previous Page IconTo Previous Page
To Previous Page IconTo Previous Page
Loading...
713
713
24
24
819
818
817
816
816
815
815
814
813
812
811
811
91
711
711
712
712
712
712
15
15
15
15
2
2
2
15
210
210
15
2
2
15
15
291
291
713
713
114
114
114
57
115
115
109
2
57
853
N dÉåÉê~ä=
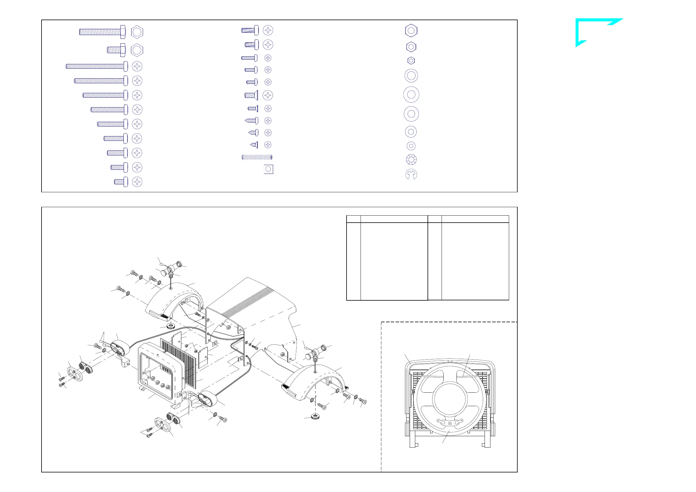
1.1 The assembly instruction
On the left side you find the illustrations of the assembly groups inc-
luding the part lists indicating the necessary components. On the
right side, marked by the corresponding number of illustration, the in-
structions for the proper assembly..
1.2 Screws and other small parts
M3 nuts are generally not provided with an identification number. As
a help easier to find out screws and small parts, please see ill. 1
which is showing you the most important components at original size.
O ^ëëÉãÄäó=çÑ=íÜÉ=ÜççÇ=
First insert the bulbs 713 into the blinker housings and headlights.
Press the blinker lenses 712 on both sides into the blinker cases 711
and then fix the blinkers with knurled nuts 210 onto the fenders. Into
the head light cases 812 and 813 lay the lenses 291, and afterwards
fix the headlight frames 811 with screws 114 onto the head lights.
Mount the fenders 817 and 818 with each two screws 2, serrated
washers 15 and nuts M3 onto the hood 819. Slide then the hood onto
the radiator and fix it using screws 57, serrated washers 15, wedge
washers 816 and nuts M3. Lay the radiator grille 91 from inside into
the radiator and lock it with locking plates 815, screws 115, washers
24 and nuts 109.
When installing the Diesel Engine Sound, Art.-No. 193: Attach
the included speaker to the radiator with the spring wire 853. Ca-
refully slide the wire underneath one of the speaker struts, lay the
speaker inside against the radiator grille and press the ends of the
spring wire under the recesses of the support for the radiator gril-
le.
Now attach the head lights with screws 2, serrated washers 15 and
nuts M3. Lead the bulb through the holes of the hood.
41-e.DOC / K-Peter Page 2
Assembly of the hood ill. 2
Self-cutting screw M3 x 8
Part no. 111
Self-cutting screw M3 x 6
Part no. 10
M2 x 8
Part no. 115
M2 x 6
Part no. 114
M2 x 5
Part no. 742
Countersunk screw M3 x 8
Part no. 355
Countersunk screw M2 x 6
Part no. 776
Tapping screw 2.2 x 6.5
Part no. 397
Tapping screw 2.2 x 4.5
Part no. 21
Countersunk tapp. screw 2.2 x 4.5
Part no. 564
Stud bolt M3 x 18
Part no. 16
Square nut M3
Part no. 12
M4 x 25
Part no. 18
M4 x 8
Part no. 17
M3 x 35
Part no. 949
M3 x 30
Part no. 11
M3 x 25
Part no. 6
M3 x 20
Part no. 5
M3 x 16
Part no. 4
M3 x 12
Part no. 3
M3 x 10
Part no. 57
M3 x 8
Part no. 2
M3 x 6
Part no. 1
Nut M4
Part no. 19
Nut M3
---
Nut M2
Part no. 109
Knurled nut M5
Part no. 210
Shim 5 x 10 x 1
Part no. 391
Washer 4.3
Part no. 20
Washer 3.2
Part no. 13
Washer 2.2
Part no. 24
Serrated washer 3.2
Part no. 15
Retaining washer 3.2
Part no. 25
Screws and other small parts at 1:1 ill. 1
`çãéäÉíÉ=háí=mÉíÉêÄáäí=
ãéäÉíáçå=çÑ=~ëëÉãÄäó=Öêçìéë
=
Radiator
Speaker
(not included with the kit)
Attachment of the speaker
Qty.
No. Assembly part
6
713
Bulb 3V
2
811
Headlight frame,
chromed
1
812
Headlight -lh-, chromed
1
813
Headlight -rh-, chromed
1
814
Radiator Peterbilt, po-
lished
2
815
Locking plate, radiator
2
816
Wedge washer, radiator
1
817
Fender -lh-, Peterbilt
1
818
Fender -rh-, Peterbilt
1
819
Hood Peterbilt
1
853
Spring for speaker
1 x 73
Qty.
No. Assembly part
8
---
Nut M3
6
2
Screw M3 x 8
8
15
Serrated washer 3.2
2
24
Washer 2.2
2
57
Screw M3 x 10
1
91
Radiator grille Conv.
Truck
2
109
Nut M2
4
114
Screw M2 x 6
2
115
Screw M2 x 8
2
210
Knurled nut M5
2
291
Headlight lens, Freightl.
2
711
Blinker case Conv. Truck
4
712
Blinker lens flat, orange
B-220-1