EasyManua.ls Logo

Weed Eater WE14542K - Page 42

Weed Eater WE14542K
48 pages
Print Icon
To Next Page IconTo Next Page
To Next Page IconTo Next Page
To Previous Page IconTo Previous Page
To Previous Page IconTo Previous Page
Loading...
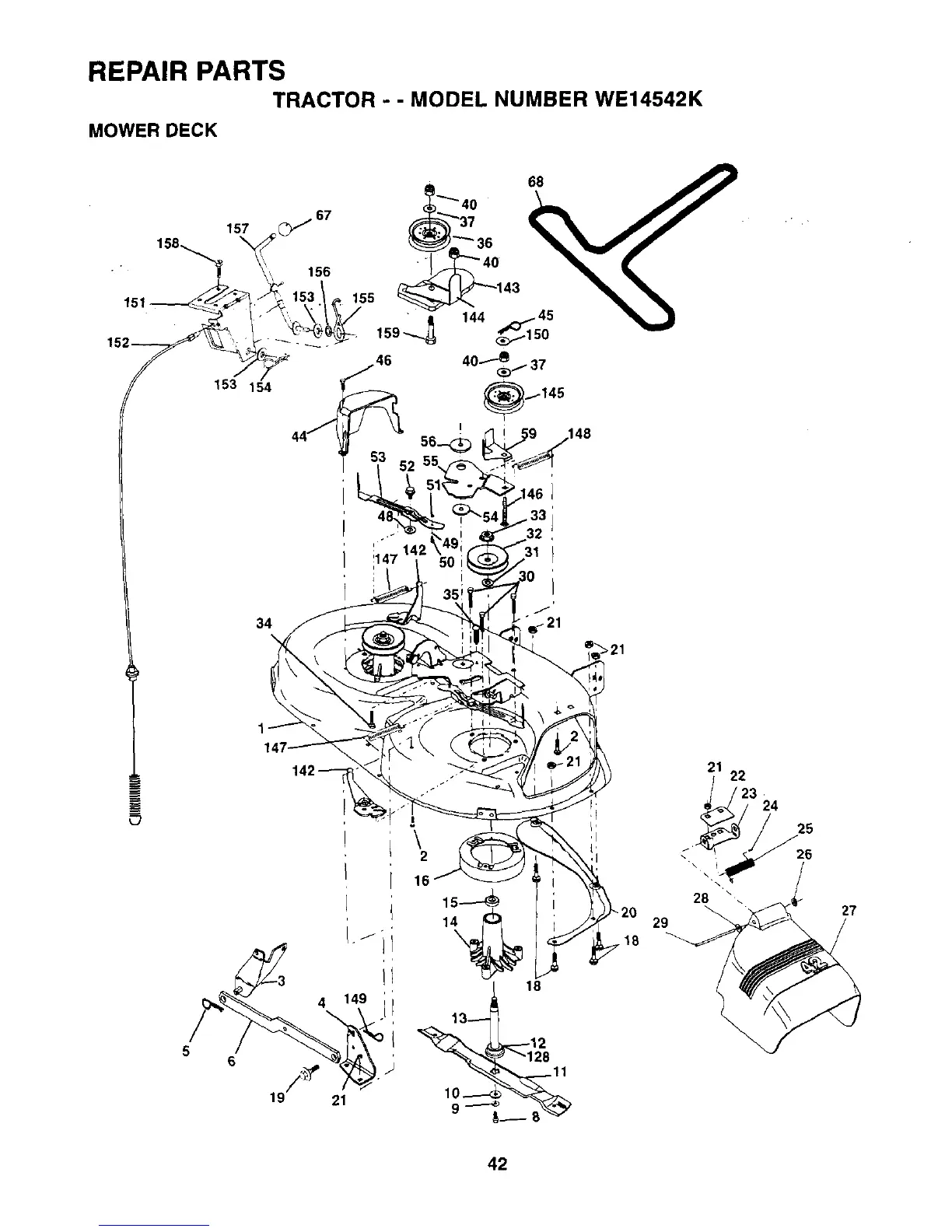
REPAIR PARTS
TRACTOR - - MODEL NUMBER WE14542K
MOWER DECK
151--
157
153 154
67
156
.146
34
'" 142
i147
J
14
4 14 jr
19J 21
16
18
9
29
18
21 22
23 24
< 6
28
27
42

Related product manuals