EasyManua.ls Logo

Wells F-14 - Page 25

Wells F-14
28 pages
Print Icon
To Next Page IconTo Next Page
To Next Page IconTo Next Page
To Previous Page IconTo Previous Page
To Previous Page IconTo Previous Page
Loading...
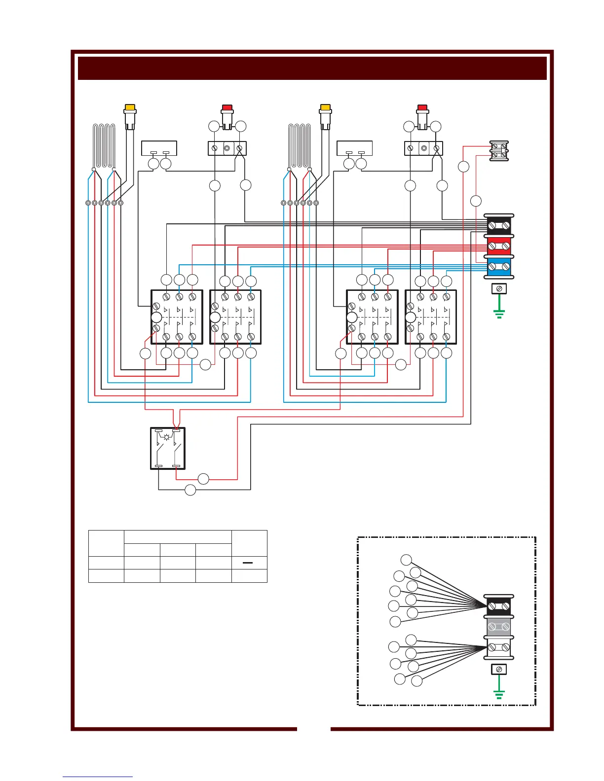
301 p/n 2M-307588 Owners Manual Counter Top Standard Electric Fryers
WIRING DIAGRAM
21
C
CONTACTOR
C
CONTACTOR
C
CONTACTOR
C
CONTACTOR
SINGLE PHASE
CONFIGURATION
RIGHT
HEATING
ELEMENT
LEFT
HEATING
ELEMENT
TROUBLE
LIGHT (RED)
TROUBLE
LIGHT (RED)
CONTROL
THERMOSTAT
CONTROL
THERMOSTAT
HI-LIMIT
T'STAT
HI-LIMIT
T'STAT
L1
L1
L2
L2
L3
GROUND
GROUND
*REMOVE JUMPER WHEN
EXTERNAL CONTROL IS
USED.
IMPORTANT:
DO NOT CONNECT ANY
POWER TO FLAME
SENSOR TERMINAL
BLOCK!
FLAME SENSOR
TERMINAL BLOCK*
WIRING DIAGRAM F-85 p/n 307495
4
16
5
17
6
18
1
2
14
13
3
4
16
5
19
19
6
27
15
17
26
18
26
25
2222 2323
25
19
19
1
13
2
14
3
15
TEMP LIGHT
(AMBER)
TEMP LIGHT
(AMBER)
TERMINAL
BLOCK
TERMINAL
BLOCK
POWER
SWITCH
WITH
LIGHT
20
21
21
21
21
20
1010 77
1111 88
1212 9
50
5251
50
9
27
VOLTS
50/60 HZ
3 PHASE AMPS PER LEG
1 PHASE
AMPS
L1 L2 L3
208
240
31.9
27.6 27.6 27.6
31.9 31.9
47.9

Other manuals for Wells F-14

Related product manuals