EasyManua.ls Logo

Wells F014 - Page 27

Wells F014
27 pages
Print Icon
To Previous Page IconTo Previous Page
To Previous Page IconTo Previous Page
Loading...
F-85(6)
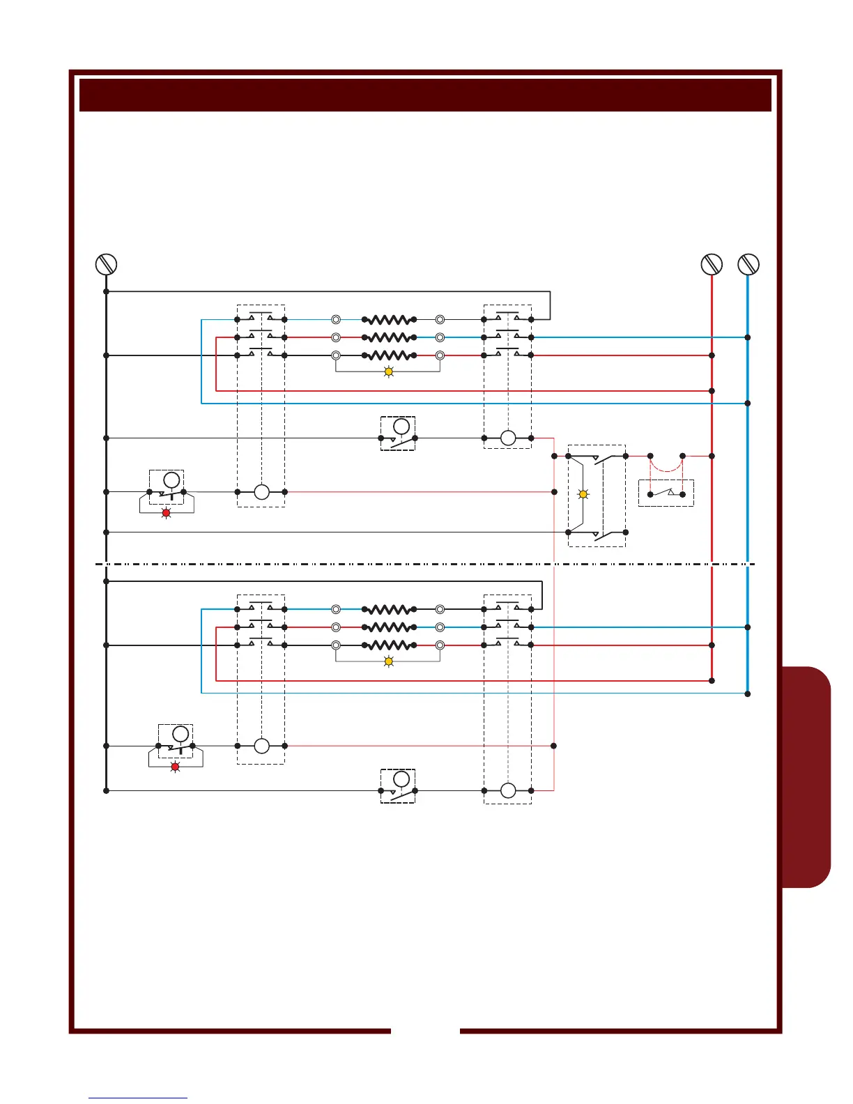
COUNTERTOP FRYER F-85 and BUILT-IN FRYER F-856
SV301 Service Manual Standard Fryers
25
WIRING SCHEMATIC F-85 and F-856 - 3 PHASE
L1 L2 L3
C
C
C
TEMP LIGHT
TEMP LIGHT
HEATING ELEMENT
HEATING ELEMENT
T
T
HI-LIMIT T'STAT
HI-LIMIT T'STAT
TROUBLE LIGHT
TROUBLE LIGHT
CONTACTOR
CONTACTOR
CONTACTOR
CONTACTOR
JUMPER
OR
EXTERNAL
CONTROL
POWER
SWITCH
T
T
CONTROL T'STAT
CONTROL T'STAT
C

Related product manuals