EasyManua.ls Logo

Weltem WPC-3000 - Wiring Diagrams; WPC-4000 Circuit Diagram

Weltem WPC-3000
16 pages
Print Icon
To Next Page IconTo Next Page
To Next Page IconTo Next Page
To Previous Page IconTo Previous Page
To Previous Page IconTo Previous Page
Loading...
12
Owners Manual
WPC-3000, WPC-4000, WPC-5000
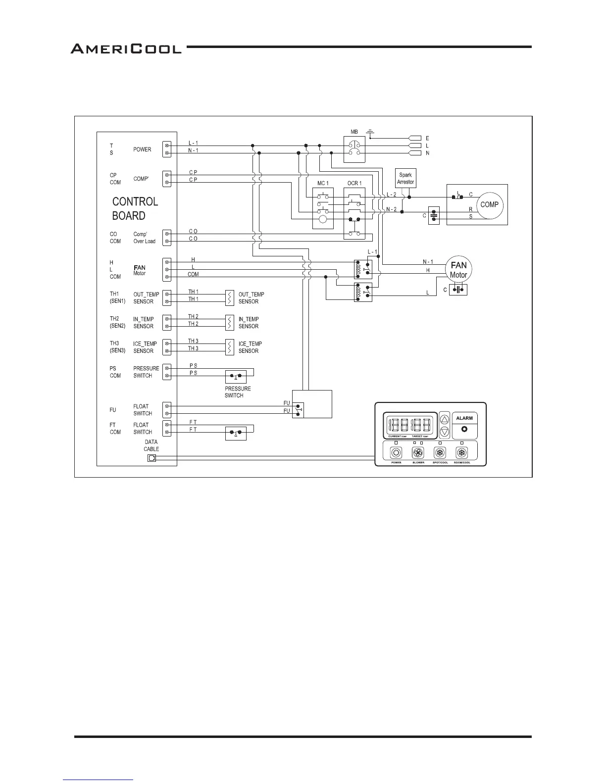
Wiring Diagram
DRAIN
PUMP
(option)
RELAY
RELAY
Power
1P AC 115V
1P AC 208 / 230V
Figure 14 - Circuit Wiring Diagram (WPC-4000)

Related product manuals