EasyManua.ls Logo

Wen LM2173 - Exploded View & Parts List

Wen LM2173
28 pages
Print Icon
To Next Page IconTo Next Page
To Next Page IconTo Next Page
To Previous Page IconTo Previous Page
To Previous Page IconTo Previous Page
Loading...
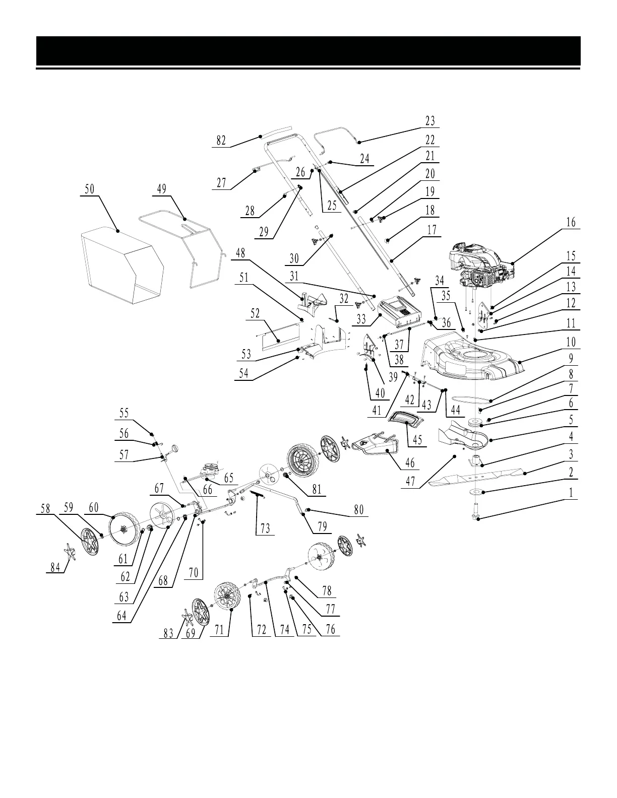
EXPLODED VIEW & PARTS LIST
LAWN MOWER
20

Related product manuals