EasyManua.ls Logo

Westpoint 12K - Page 32

Default Icon
150 pages
Print Icon
To Next Page IconTo Next Page
To Next Page IconTo Next Page
To Previous Page IconTo Previous Page
To Previous Page IconTo Previous Page
Loading...
DC Inverter U-match Series Cassette Type Unit
21
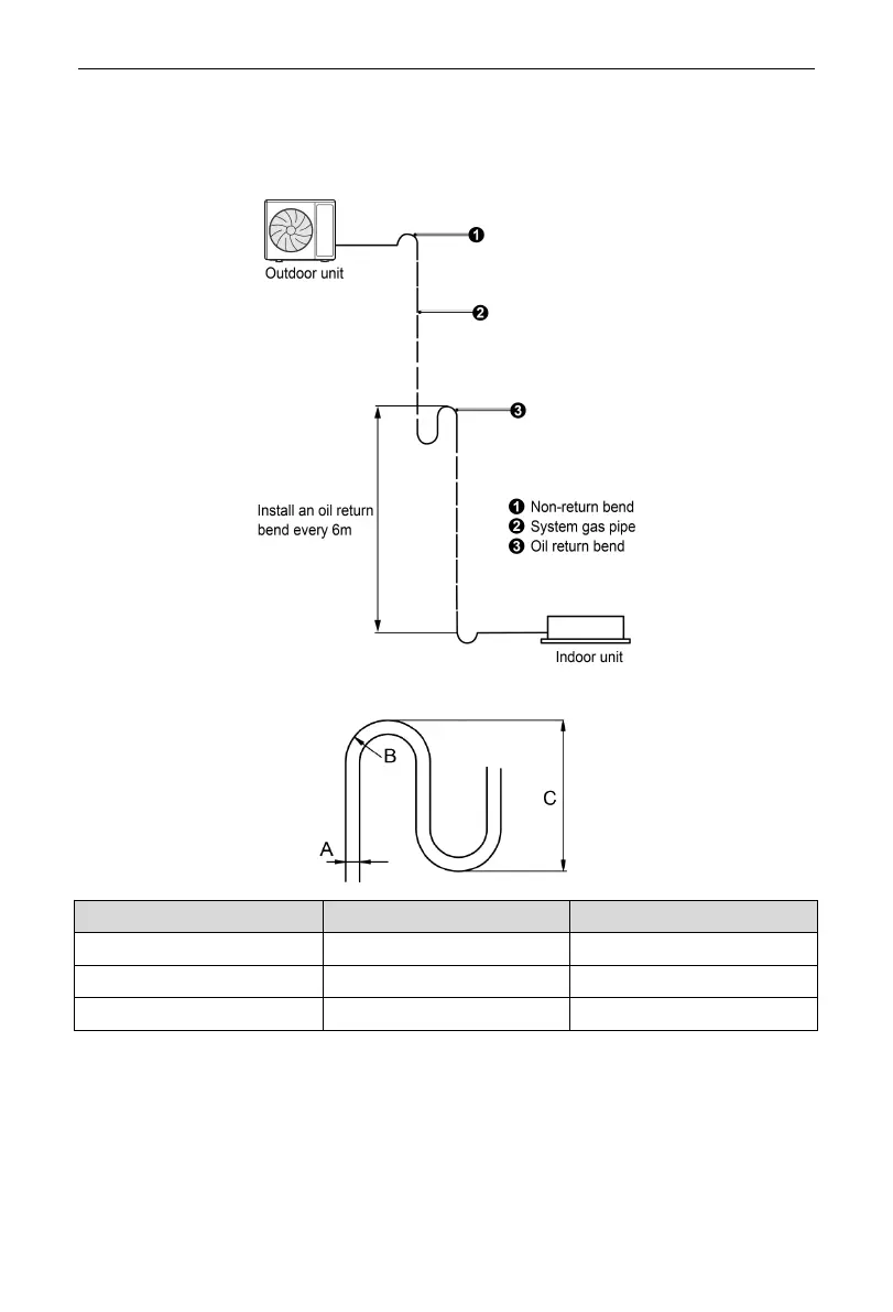
(2) Outdoor unit is above the indoor unit.
Its necessary to add oil return bend and non-return bend at the lowest and
highest position of the vertical pipe, as shown below:
Dimensions for the making of oil return bend are as follows:
A(inch)
B(mm)
C(mm)
Ф3/8
≥20
≤150
Ф1/2
≥26
≤150
Ф5/8 ≥33 ≤150
2.2.3.2 Pipe Flaring
(1) Cut the connection pipe with a pipe cutter.
(2) The mouth of connection pipe should face downward. Remove burrs with
the cut surface so that the chips do not enter the pipe.
(3) Remove the cut-off valve of outdoor unit and take out the flare nut from