EasyManua.ls Logo

Westward 1JYU2A - Wiring Diagrams

Default Icon
16 pages
Print Icon
To Next Page IconTo Next Page
To Next Page IconTo Next Page
To Previous Page IconTo Previous Page
To Previous Page IconTo Previous Page
Loading...
P9
9
Models 1JYT9A, 1JYU1A, 1JYU2A and 1JYU3A
Westward Operating Instructions and Parts Manual
E
N
G
L
I
S
H
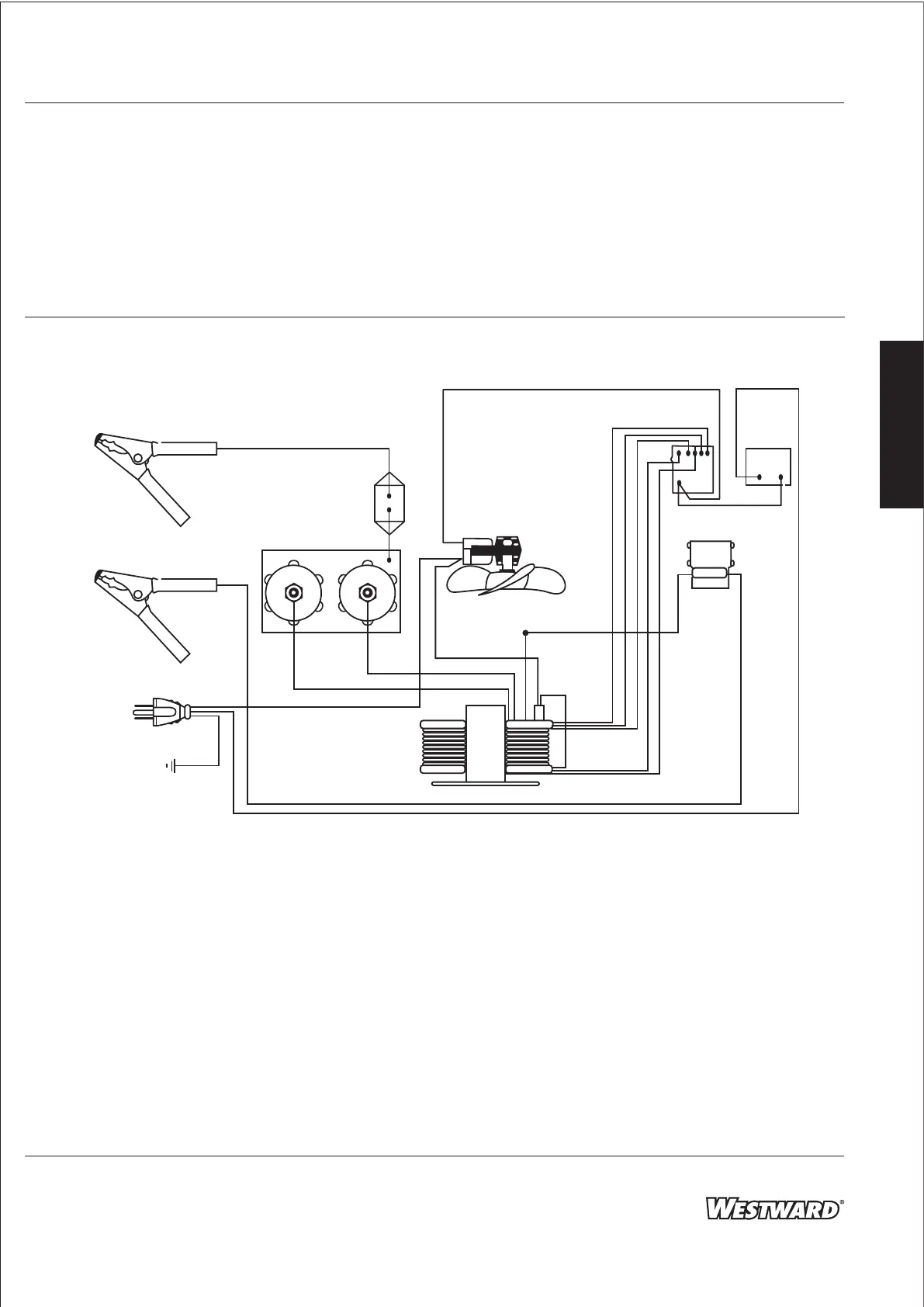
Wiring Diagrams
Figure 11 - Model 1JYT9A
Yellow
Black
Orange
Red
Blue
Ammeter
Black
Timer
Rate Selector
Black
Fan
Rectier
Circuit
Breaker
Positive
Negative
Cable Assembly
(Black)
Cable Assembly
(Red)
Power
Cord
White
Green
Black
Center Tap
Thermal
Breaker
Transformer
Black
Black
Switch

Related product manuals