EasyManua.ls Logo

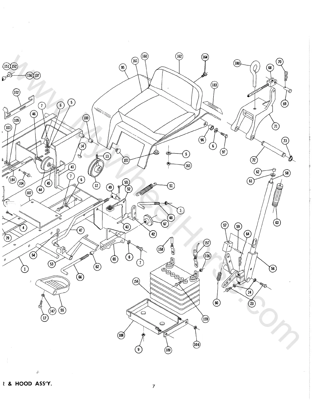
Wheel Horse Commando 8 - Seat and Hood Assembly Components

Wheel Horse Commando 8
11 pages
Print Icon
To Next Page IconTo Next Page
To Next Page IconTo Next Page
To Previous Page IconTo Previous Page
To Previous Page IconTo Previous Page
Loading...
+-<v
I
lOS
~
& HOOD ASS'Y.
7
www.MyWheelHorse.com

Related product manuals