EasyManua.ls Logo

Whirlpool AGB 669/WP - Page 78

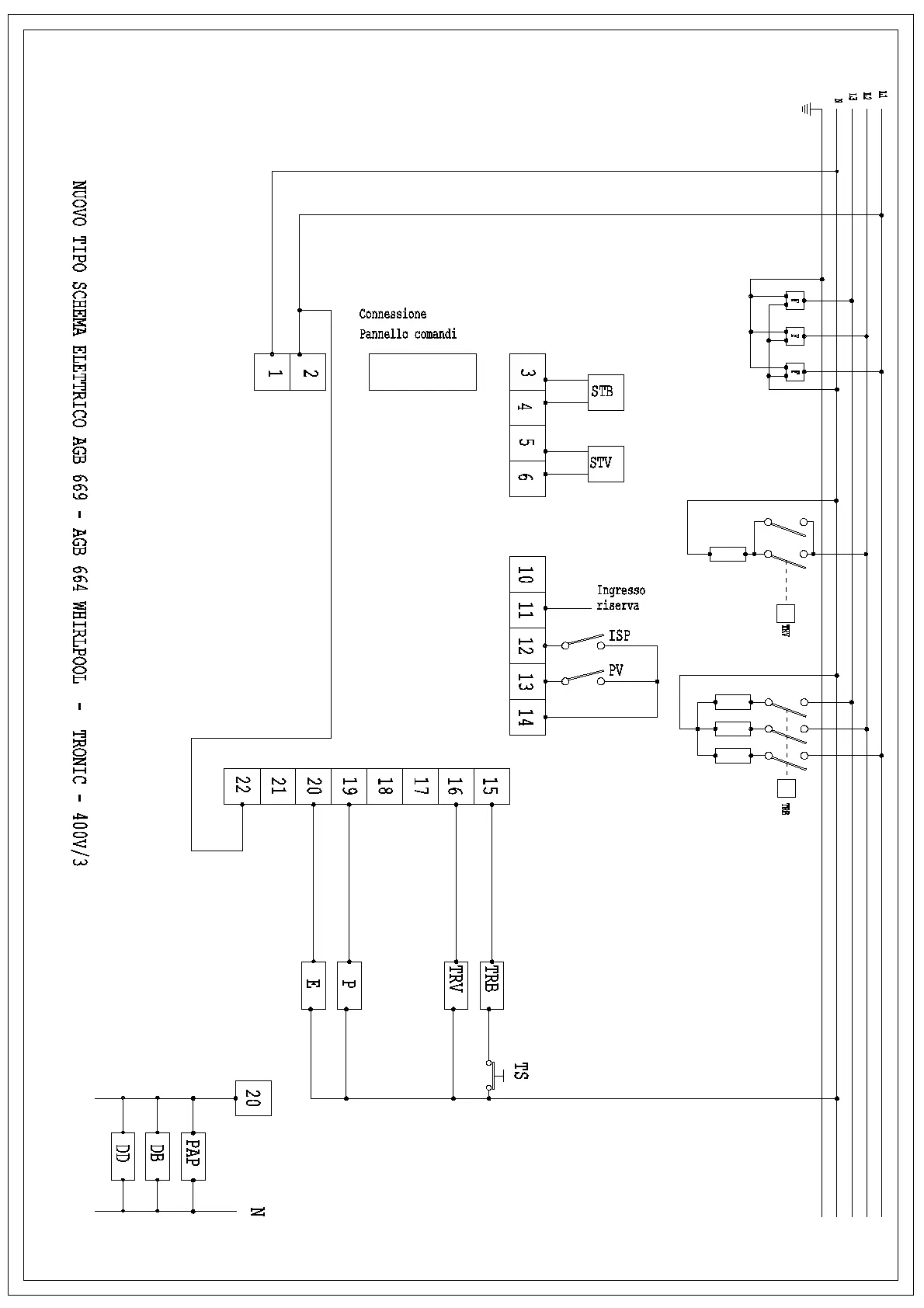
Whirlpool AGB 669/WP
Print Icon
To Next Page IconTo Next Page
To Next Page IconTo Next Page
To Previous Page IconTo Previous Page
To Previous Page IconTo Previous Page
Loading...

Related product manuals