EasyManua.ls Logo

Whirlpool EXPERT 1200 - Circuit Diagram; Positions

Whirlpool EXPERT 1200
15 pages
Print Icon
To Next Page IconTo Next Page
To Next Page IconTo Next Page
To Previous Page IconTo Previous Page
To Previous Page IconTo Previous Page
Loading...
SERVICE
Whirlpool Europe EXPERT 1200 03.07.1998 / Page 9
Customer Service 8570 381 72000 Doc. No: 4812 712 13311
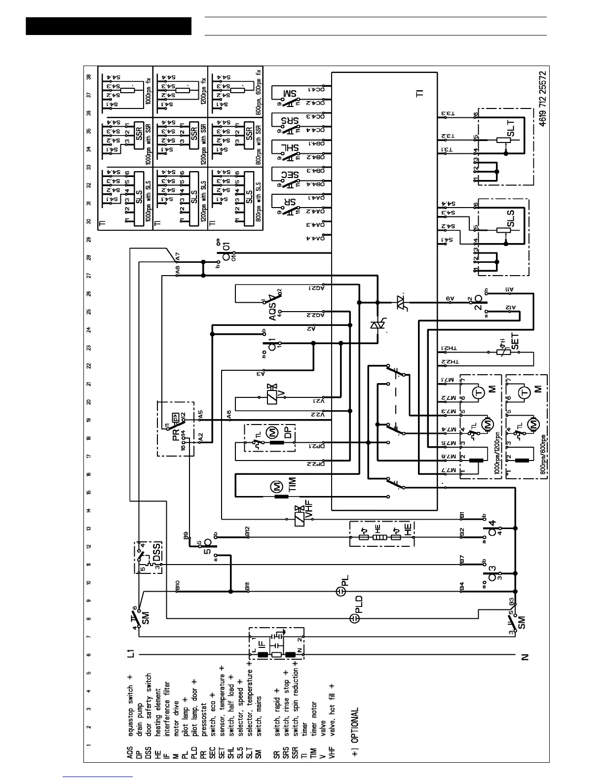
Circuit diagram

Related product manuals