EasyManua.ls Logo

Whirlpool GU940SCG - Page 28

Whirlpool GU940SCG
66 pages
Print Icon
To Next Page IconTo Next Page
To Next Page IconTo Next Page
To Previous Page IconTo Previous Page
To Previous Page IconTo Previous Page
Loading...
24
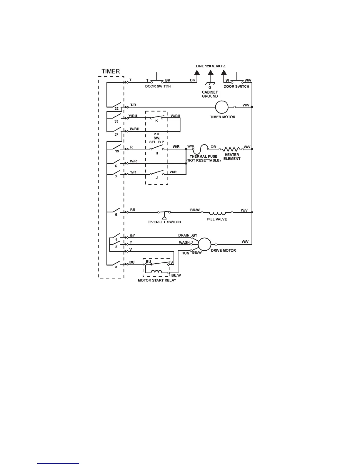
Wiring Diagram
Model DU890DWG
SCHEMATIC SHOWN WITH DOOR SWITCHES CLOSED,
ALL CONTACTS OPEN

Table of Contents

Related product manuals