EasyManua.ls Logo

Whirlpool JFFCC72EFS - Page 31

Whirlpool JFFCC72EFS
59 pages
Print Icon
To Next Page IconTo Next Page
To Next Page IconTo Next Page
To Previous Page IconTo Previous Page
To Previous Page IconTo Previous Page
Loading...
For Service Technician Use Only
DIAGNOSTICS
French-Door Boom Mount Refrigerator
n
1-27

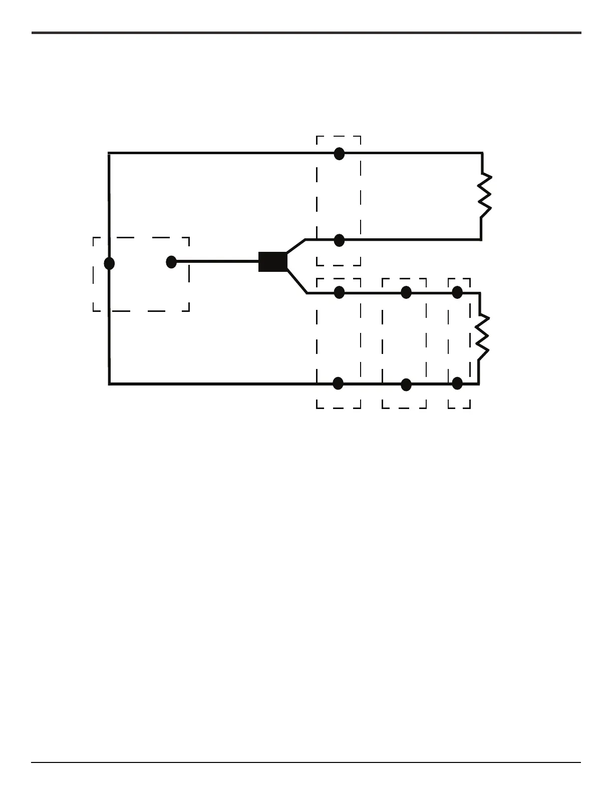
Take resistance reading between GF2 P1-2 and GF2 P2-6.
Resistance should be 1400 - 1800 ohms.
If the Duct Heater is Open, resistance will read ≈4800 ohms.
If the Filter Heater is Open, resistance will read ≈2400 ohms.
If resistance checks are OK:

Ensure LED display shows “on”
If LED display does not show “on”, replace GF2 board.
If all checks are OK and problems persist:

This will turn the heaters Full On.
Use up or down arrow to change acvaon mode to “01”
Press the “Icemaker2” key to conrm selecon.
Splice
12 Pin Connector
To RC Liner
P1-2
GF2 Board
Pin 3
Pin 10
WH/BK
115 VAC
WH/BK
Pin 7
Pin 6
P2-6
Neutral
OR
OR OR
IM Duct Heater
(Cabinet)
OR
Filter
Heater
Pin 9 in 4P
Pin 2Pin 8
4 Pin
Behind
Connector
Water
in RC
Valve Cover
9 Pin
Behind
Connector
Water
in RC
Valve Cover
Pin 3
12 Pin Connector
RC Evaporator Area
Bottom Right in RC
WH/BK
WH/BK

Related product manuals