EasyManua.ls Logo

Whirlpool WFCT - Page 28

Whirlpool WFCT
32 pages
Print Icon
To Next Page IconTo Next Page
To Next Page IconTo Next Page
To Previous Page IconTo Previous Page
To Previous Page IconTo Previous Page
Loading...
28
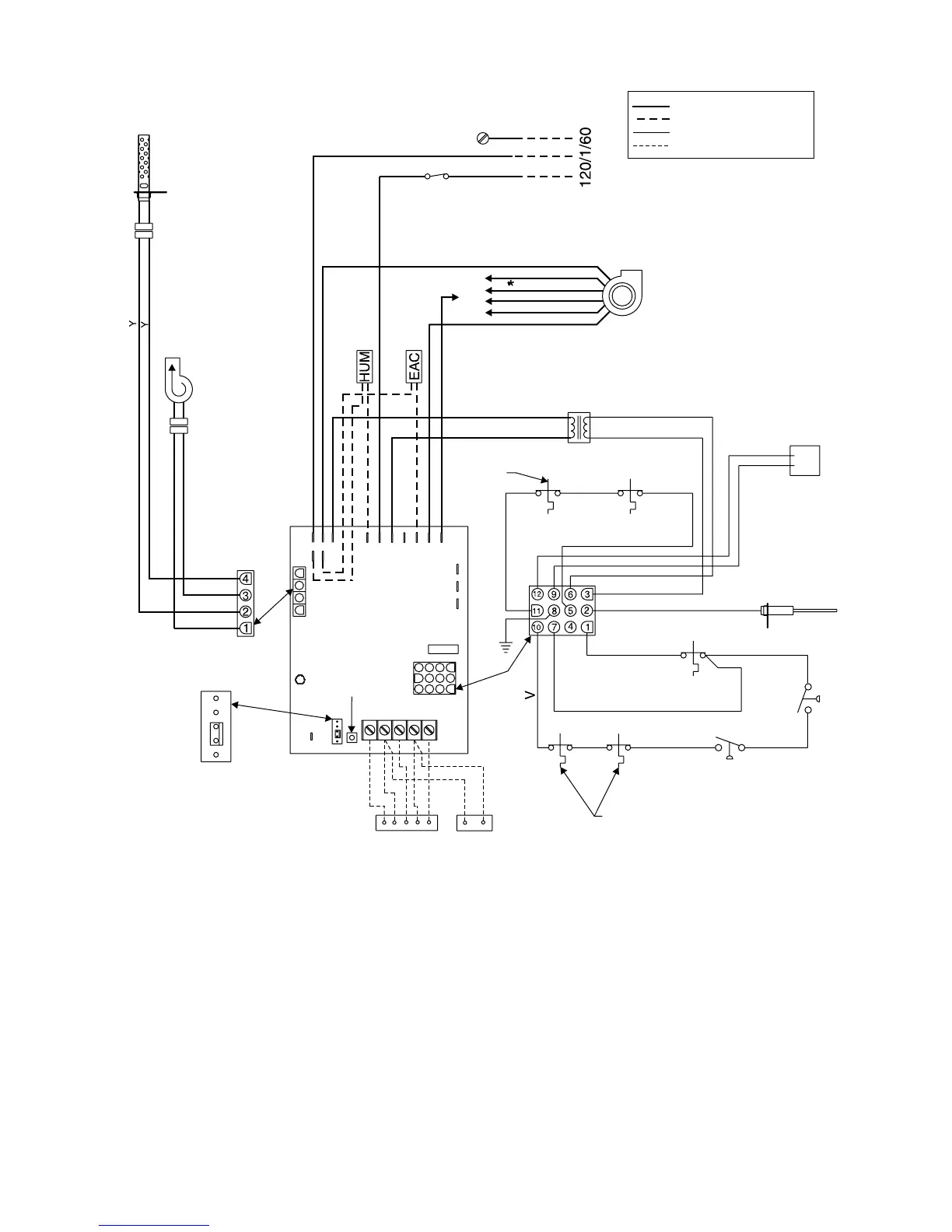
Wiring Connection Diagram—Honeywell
®
VR 8205 System
G
W
BK
W (Neutral)
R (Lo)
OR (Med/Lo)
BU (Med)
Y (Med/Hi)
BK (Hi)
Y
Y/BK Stripe
W
BK/W Stripe
OR
GY
R
BU
BK
W
Thermostat & Subbase
Heat Anticipator
0.60 Amp
Condenser
Aux
Limit
Switch
If Used
Blower Off
Delay Timing
(See NOTE 3)
High
Limit Switch
Fault Code
History
Button
(See NOTE 1)
Rollout
Switch
Rollout
Switch
If Used
Transformer
Gas
Control
Valve
Flame
Sensor
OR
MV
MV
V
V
V
W
BR
Pressure
Switch
(if used)
PARK
PARK
PARK
5A Fuse
NEUTRALS
Y
W
Y
BK
60
90
120
180
R
C
W
YG
TWIN
SW1
60
90
120
180
OR
HUM
L1
XFMR
CONT
EAC
COOL
HEAT
Hot Surface Igniter
Interlock
Switch
Line Voltage - Factory
Line Voltage - Field
Low Voltage - Factory
Low Voltage - Field
Circulation
Blower
*Not on all models
Induced
Draft
Blower
Pressure
Switch
Aux
Limit
Switch
Check codes for proper wiring and circuit protection before
installation.
NOTES:
1. Press and release fault code history button to display fault
codes. To erase codes, press and hold button in for more
than 5 seconds.
2. If any of the original wire as supplied with the furnace must be
replaced, it must be replaced with wiring material having a
temperature rating of at least 194ºF (90ºC).
3. Blower off delay timing is factory set at 120 seconds. To
change, move the jumper to the pins adjacent to the desired
setting.

Related product manuals