EasyManua.ls Logo

Wilfa Cool 12 - Electric Schematic Diagram

Wilfa Cool 12
29 pages
Print Icon
To Next Page IconTo Next Page
To Next Page IconTo Next Page
To Previous Page IconTo Previous Page
To Previous Page IconTo Previous Page
Loading...
27
English
English
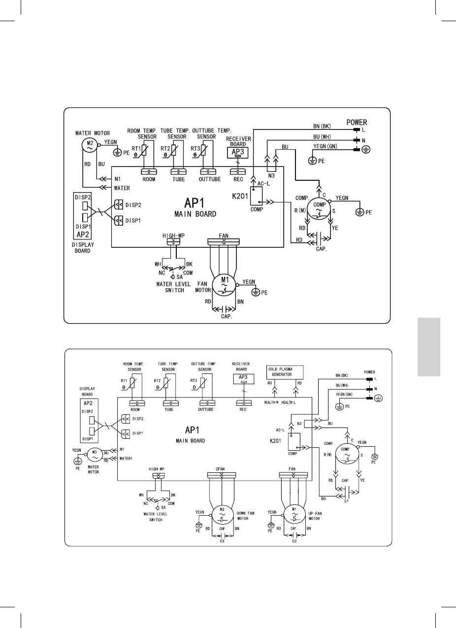
ELECTRIC SCHEMATIC DIAGRAM
Cool 7
Cool 12

Related product manuals