EasyManua.ls Logo

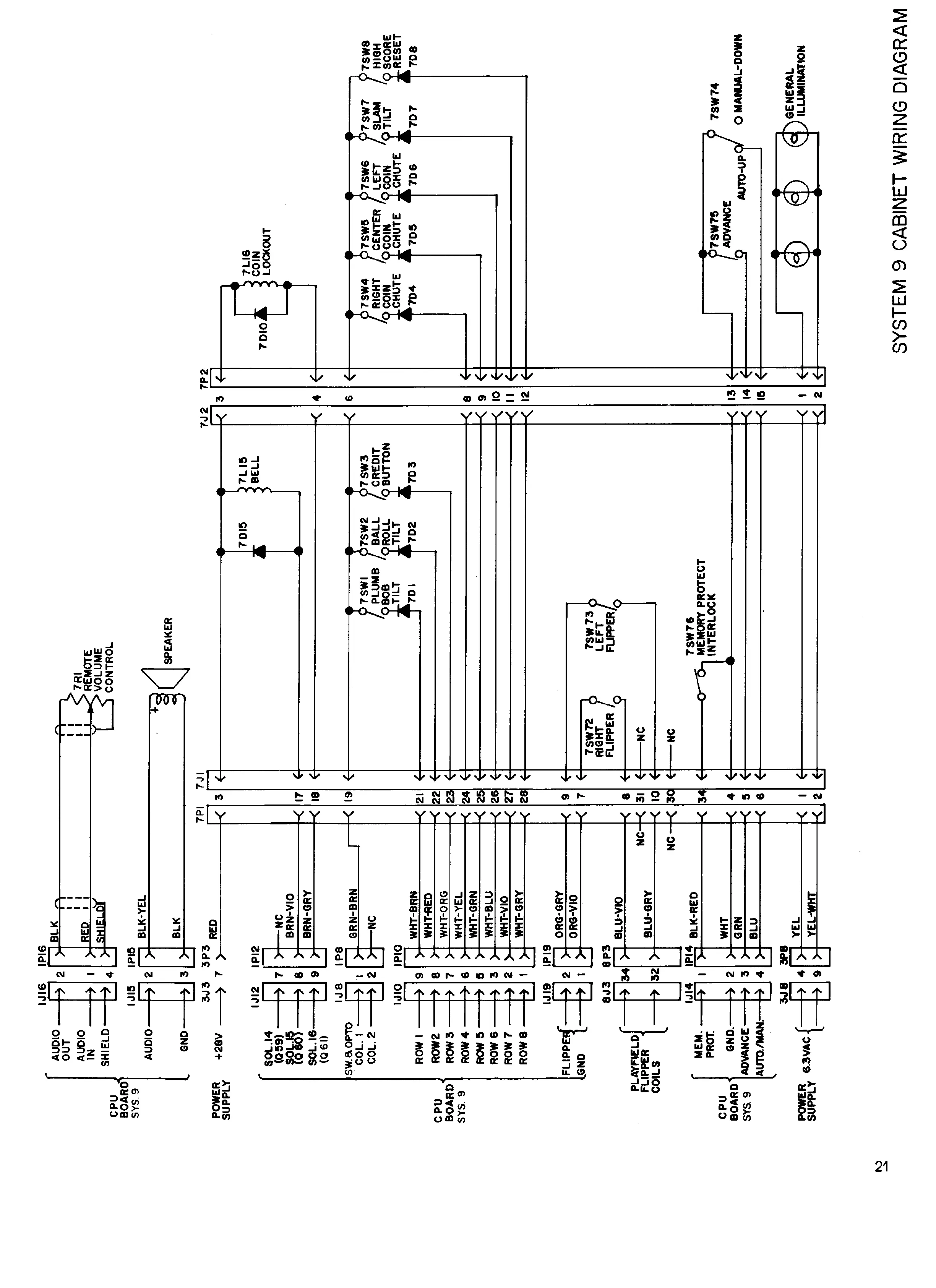
Williams SPACE SHUTTLE - System 9 Cabinet Wiring Diagram

Williams SPACE SHUTTLE
33 pages
Print Icon
To Next Page IconTo Next Page
To Next Page IconTo Next Page
To Previous Page IconTo Previous Page
To Previous Page IconTo Previous Page
Loading...
110
,
'Iyyyy
in
-J
1-
z
map
--J
_jw
0
110
i
-
p-oW
N-
4
K)
0
N-4
I-
C,
Ui
IL
u-op4
K,
I- 15
Dig-I
p- or
P2
01sJI-
U
no.
z
z
(no
I
LL
F,
;l;4;4;;;
_
C
p.
-J
uitaio
0.
(0
ODE-
-2Jz
2
WI-
Z
CDXWW
3900u) 0
Z
2
(9
-1
.4
.4
0
Ui
9
-I
,
I-
.4
z
..
I
U)
2
(9
1
4
w
o
cc
I
I-
UQl
W
z
I-
D
vi,
C
i-c
cc
Z
4 KX.-,O
I
-&
0
C)
2
cn
2
ör
e
I
N- u0
0
C
I.-.
co
I0
1
(0
to
It
in
-Cd
0)
-NfltU)WNW
-
Cd
tdnjNtJOJciCdN
10
Z00_iZ
.4
O
ww-i2
C
I-
(----I w
5o m mço-om>0CL
to
— a'
x
-J-i
-II
rrrrrrrr
_j _a
UJUJ
m m
'mm c1
00 m
- K)
p4)
I--
I 0 ---- In
1 -- 0 -
r'_1[
___
______
114)
___ __________ ___ ___ __ _______ ____
_____ ______
____
____________ ____ WI____
* N
('not *0)
('1
-
t N 14) N-
-N Q)0N(DtflCd- N- p4) p4) ___
OD
In.
Ito
9
-
i
-
i
TF
t
-
t
-
Ijfl
j
1t' ;L
if
-
iP 1T'
__
-J
0 0 0
0
>
-N
-NK)*inWI'O
0
2z0
U
LLI
z
Ojj
.I
DODz_
(9 03
d0000c, øoo
00
0 to
fl
C
+ —tn--u-- co
U)
0
u.o
lDo
C
045.0
0
'Si
E
CL
0
0mw
Q.q
oOq,
0
WC1)
Cl)
21

Related product manuals