EasyManua.ls Logo

Winget TD500 - Page 22

Winget TD500
68 pages
Print Icon
To Next Page IconTo Next Page
To Next Page IconTo Next Page
To Previous Page IconTo Previous Page
To Previous Page IconTo Previous Page
Loading...
MAINTENANCE AND SERVICE 16
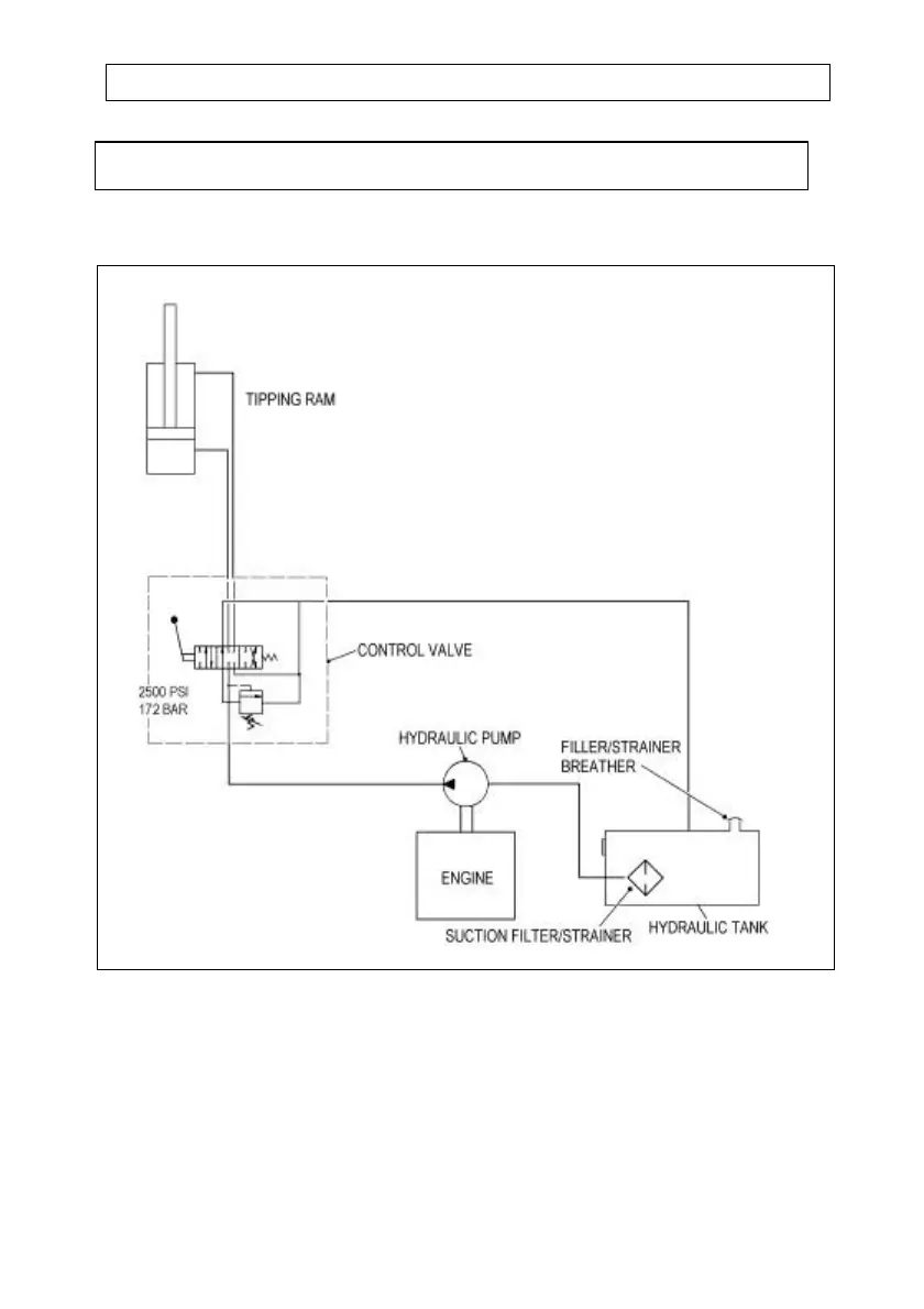
Standard Tipping Model, not ‘HL’
HYDRAULIC CIRCUIT DIAGRAM STANDARD TIPPING MODEL

Related product manuals