EasyManua.ls Logo

Wizard WA15542A - Page 36

Default Icon
48 pages
Print Icon
To Next Page IconTo Next Page
To Next Page IconTo Next Page
To Previous Page IconTo Previous Page
To Previous Page IconTo Previous Page
Loading...
36
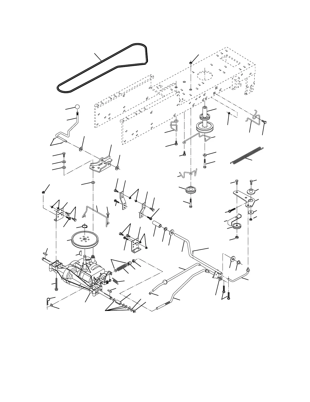
TRACTOR - - MODEL NUMBER WA15542A, PRODUCT NUMBER 954 56 94-17
GROUND DRIVE
29
28
112
14
41
38
39
57
51
74
75
78
76
77
25
26
19
24
2
53
35
34
37
36
35
62
36
64
65
59
56
212
55
63
116
70
77
61
22
27
26
6
113
18
51
5
18
6
52
30
32
32
30
52
11
21
4
3
13
10
8
12
12
7
250
250
1
145
96
26
79
52
66
27
51
48
151
202
49
47
50
120
150
6
170
For Parts Call K&T 606-678-9623 or 606-561-4983
www.mymowerparts.com

Related product manuals