EasyManua.ls Logo

Wizard WA20H42STA - Page 36

Default Icon
48 pages
Print Icon
To Next Page IconTo Next Page
To Next Page IconTo Next Page
To Previous Page IconTo Previous Page
To Previous Page IconTo Previous Page
Loading...
36
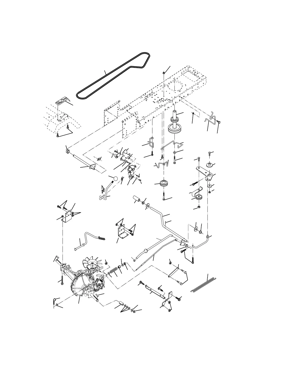
TRACTOR - - MODEL NUMBER WA20H42STA PRODUCT NO. 954 56 83-35
GROUND DRIVE
66
29
28
32
30
52
32
59
38
61
41
53
35
55
36
62
35
36
22
39
34
16
1
77
77
30
52
56
64
65
212
63
116
70
57
96
26
25
19
24
26
26
76
78
75
74
27
26
15
37
51
27
51
48
151
202
49
47
50
120
81
156
166
165
82
168
163
14
164
21
8
10
83
159
161
198
158
162
169
150
84
16
199
16
250
71
200
73
16
250
197
95
89
69
drive-hydro.stlt_34
For Parts Call K&T 606-678-9623 or 606-561-4983
www.mymowerparts.com