EasyManua.ls Logo

Wizard WAR500A - Page 25

Default Icon
28 pages
Print Icon
To Next Page IconTo Next Page
To Next Page IconTo Next Page
To Previous Page IconTo Previous Page
To Previous Page IconTo Previous Page
Loading...
25
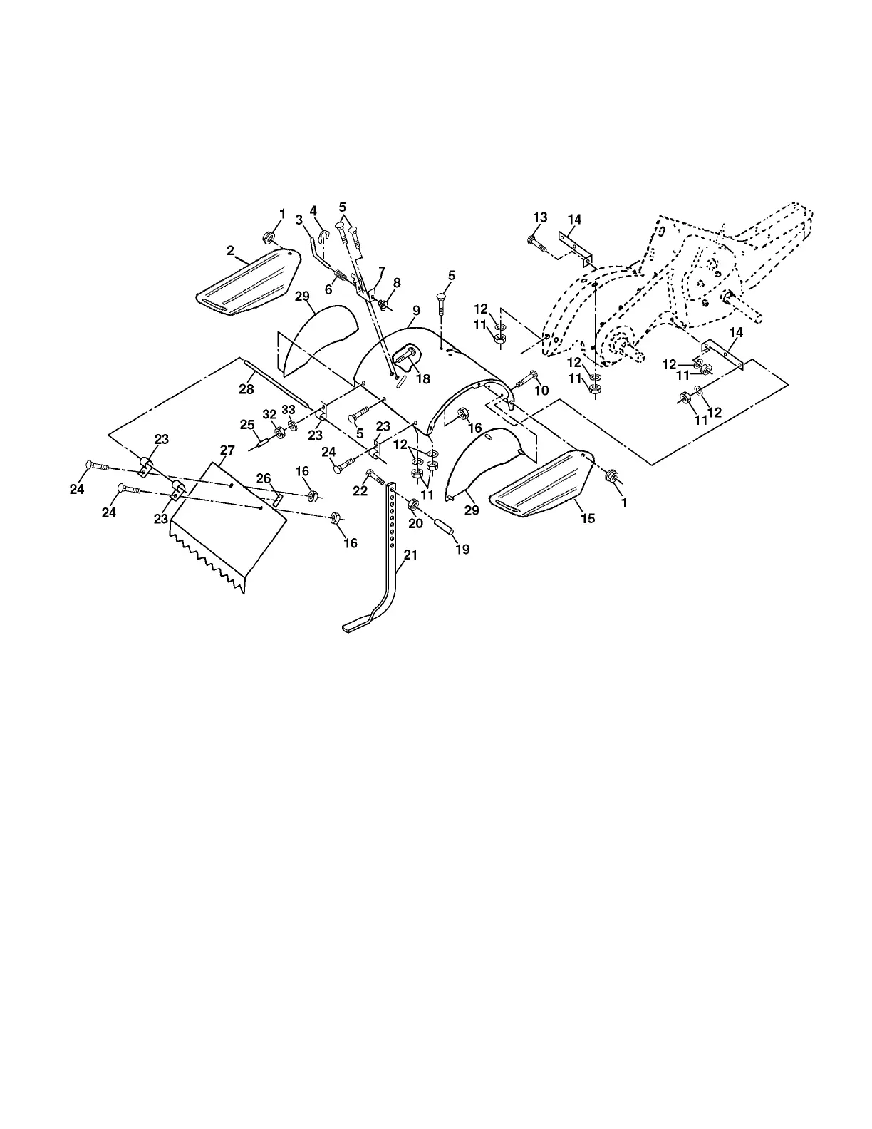
KEY PART
NO. NO. DESCRIPTION
KEY PART
NO. NO. DESCRIPTION
1 73900500 Nut, Flange 5/16-18
2 161415X603 Shield, Side, Outer L. H.
3 8393J Pin, Stake, Depth
4 12000035 Ring, Klip
5 180847 Bolt, Carriage 5/16-18 x 3/4
6 8394J Spring
7 8392J Bracket, Latch
8 109230X Spring, Depth Stake
9 102326X603 Shield, Tine
10 72140508 Bolt, Carriage 5/16-18 x 1
11 73220500 Nut, Hex 5/16-18
12 10040500 Washer, Lock 5/16
13 72110510 Bolt, Carriage 5/16-18 x 1-1/4
14 124343X Bracket, Shield Tine
15 161414X603 Shield, Side, Outer R.H.
16 73900400 Nut, Hex Flange 1/4-20 UNC
18 72040410 Bolt, Carriage 1/4-20 x 1-1/4 Gr. 5
19 102701X Grip
20 73220600 Nut, Hex 3/8-16
21 102156X Stake, Depth
22 74930632 Bolt, Hex 3/8-16 x 2
23 4440J Hinge
24 72140404 Bolt, Carriage 1/4-20 x 1/2 Gr. 5
25 6712J Cap, Vinyl
26 109227X Pad, Idler
27 102695X603 Shield, Leveling
28 120588X Pin, Hinge
29 104085X603 Shield, Side
32 73220400 Nut Fin Hex 1/4-20 UNC
33 10040400 Washer Lock Hvy Helical 1/4
NOTE: All component dimensions given in U.S. inches.
1 inch = 25.4 mm
REPAIR PARTS
TILLER - - MODEL NUMBER WAR500A
TINE SHIELD
For Parts Call K&T 606-678-9623 or 606-561-4983
www.mymowerparts.com