EasyManua.ls Logo

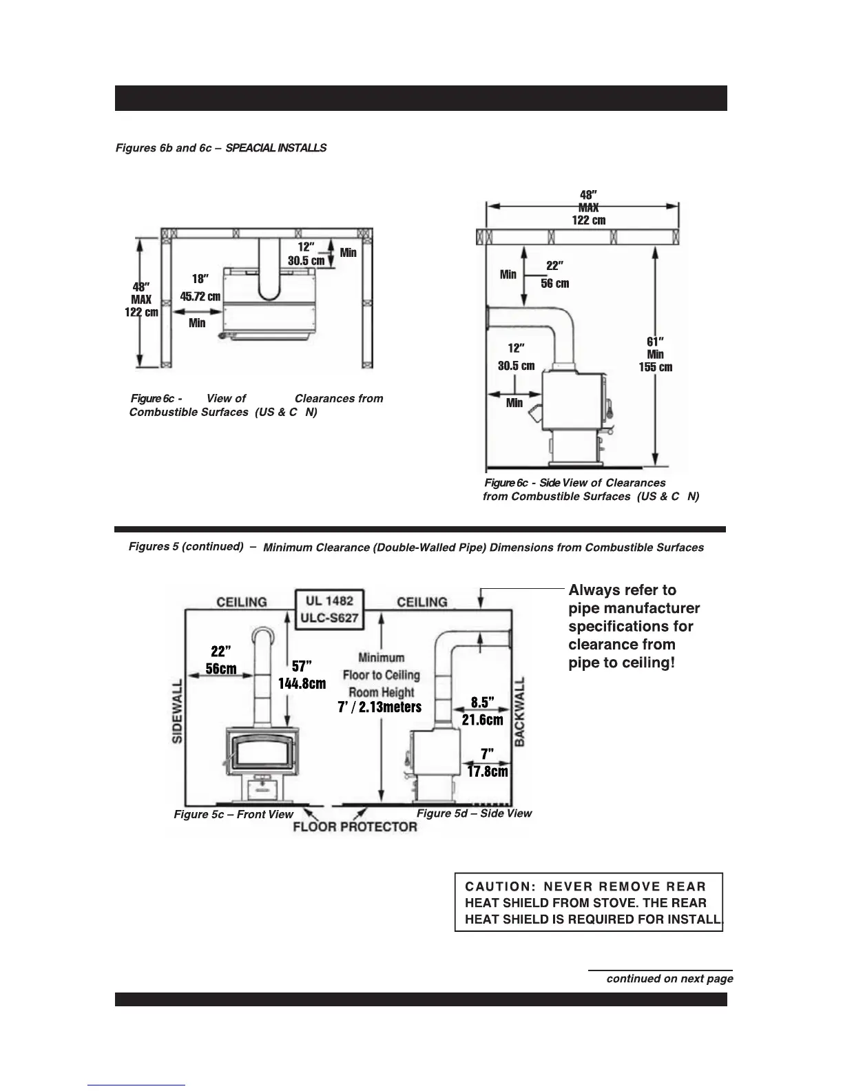
WoodPro WS-TS-2000 - MINIMUM CLEARANCES ALCOVE and DOUBLE-WALLED PIPE

Default Icon
36 pages
Print Icon
To Next Page IconTo Next Page
To Next Page IconTo Next Page
To Previous Page IconTo Previous Page
To Previous Page IconTo Previous Page
Loading...
7
Top
A
A
Alcove

Related product manuals