EasyManua.ls Logo

Woods 8000 - Page 40

Woods 8000
68 pages
Print Icon
To Next Page IconTo Next Page
To Next Page IconTo Next Page
To Previous Page IconTo Previous Page
To Previous Page IconTo Previous Page
Loading...
40 Parts
51210 (1/1/2016)
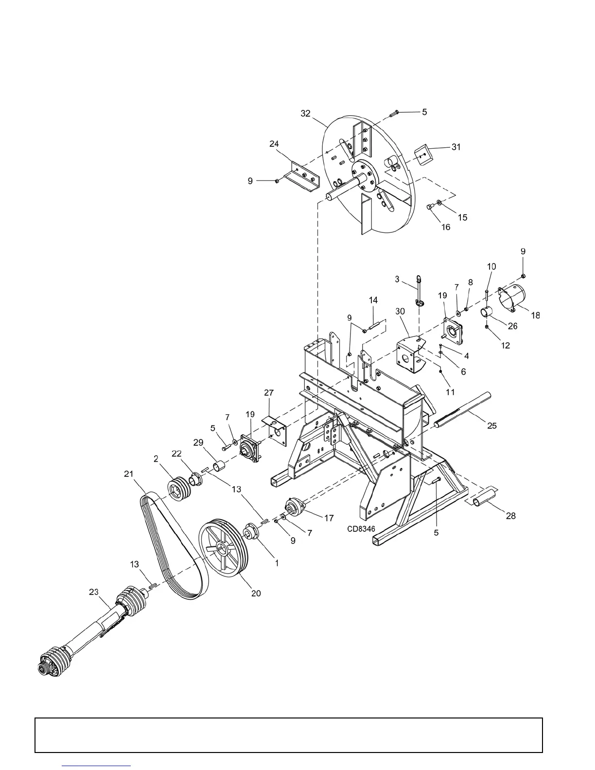
8000 CHIPPER DRIVE ASSEMBLY