EasyManua.ls Logo

Woods FZ27 - PARTS AND DIAGRAMS

Woods FZ27
50 pages
Print Icon
To Next Page IconTo Next Page
To Next Page IconTo Next Page
To Previous Page IconTo Previous Page
To Previous Page IconTo Previous Page
Loading...
30 Parts
MAN1275 (8/14/2018)
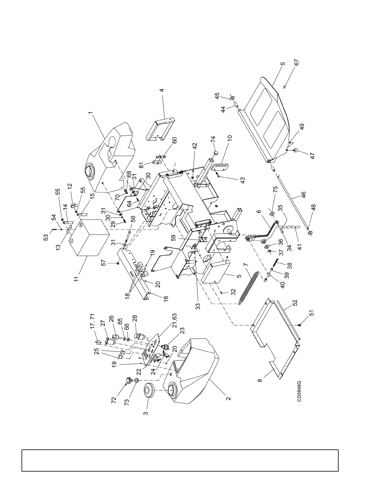
FRAME ASSEMBLY