EasyManua.ls Logo

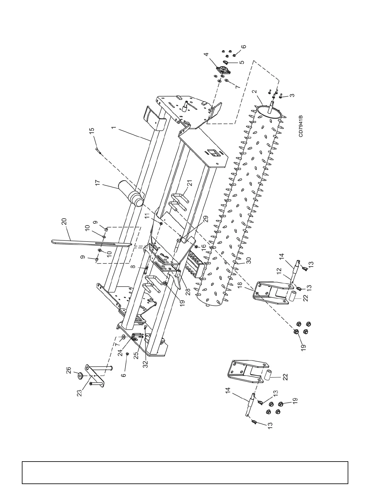
Woods PSS72 - Main Frame and Roller Assembly Parts

Woods PSS72
66 pages
Print Icon
To Next Page IconTo Next Page
To Next Page IconTo Next Page
To Previous Page IconTo Previous Page
To Previous Page IconTo Previous Page
Loading...
36 Parts
MAN0988 (11/5/2012)
PSS48, PSS60, PSS72 & PSS84 MAIN FRAME & ROLLER ASSEMBLY
(Rev. 4/24/2018)

Related product manuals