EasyManua.ls Logo

Woods PSS72 - Page 41

Woods PSS72
66 pages
Print Icon
To Next Page IconTo Next Page
To Next Page IconTo Next Page
To Previous Page IconTo Previous Page
To Previous Page IconTo Previous Page
Loading...
Parts 41
MAN0988 (11/5/2012)
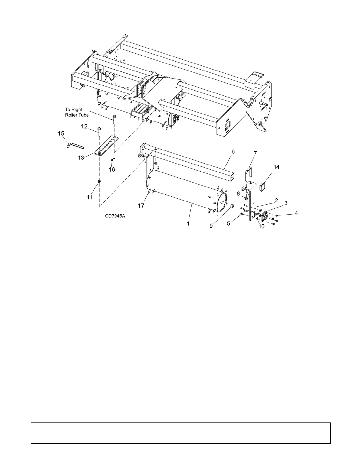
PSS48, PSS60, PSS72, PSS84 FRONT SPIKE ROLLER OPTION
REF PSS48 PSS60 PSS72 PSS84 QTY DESCRIPTION
1 103876648RP 103876660RP 103876672RP 103876684RP 2 Front roller
2 1038680RP 1038680RP 1034677RP 1034677RP 4 Mount, bearing
3 20A920 20A920 20A920 20A920 4 1" bearing w/ housing
4 14350* 14350* 14350* 14350* 16 3/8 NC flanged lock nut
5 W301117* W301117* W301117* W301117* 16 3/8 NC x 1-1/2 carriage bolt ZP
6 103866648RP 103866660RP 103468872RP 103468884RP 2 Tube, 3 x 3 x .25 x XX.XX
7 1034668 1034668 1034668 1034668 4 3/4 x 3.81 x 4.31 u - bolt
8 W302207* W302207* W302207* W302207* 10 3/4 NC flanged lock nut
9 1035675RP 1035675RP 1035675RP 1035675RP 4 Sleeve, 1.03 x 1.25 x 0.88
10 1028375* 1028375* 1028375* 1028375* 4 3.8 push-on bolt retainer
11 1002943 1002943 1002943 1002943 2 Sleeve, .82 x 1.06 x .47
12 2376* 2376* 2376* 2376* 2 3/4 NC x 5 cap screw
13 1038740RP 1038740RP 1034690RP 1034690RP 1 Studded roller slide
14 1022507 1022507 1022507 1022507 2 Cap, 3 x 3 black plastic
15 1035646 1035646 1035646 1035646 1 3/4 x 6 pin, bent w/ clip
16 2688* 2688* 2688* 2688* 1 5/32 cotter pin
17 1002938 1002938 1002938 1002938 1 Replacement spikes (25 piece set)
* Standard hardware, obtain locally
(Rev. 4/24/2018)

Related product manuals