EasyManua.ls Logo

Woods S15CD - Page 52

Woods S15CD
68 pages
Print Icon
To Next Page IconTo Next Page
To Next Page IconTo Next Page
To Previous Page IconTo Previous Page
To Previous Page IconTo Previous Page
Loading...
52 Parts
MAN0506 (Rev. 9/5/2008)
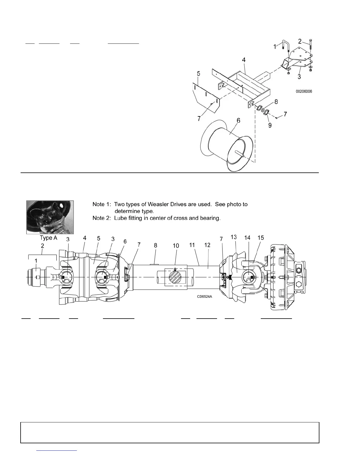
BED CONE ASSEMBLY (OPTIONAL) 50510065
TYPE A - WEASLER
®
24K PULL-TYPE PTO SHAFT WITH TORQMASTER CLUTCH
REF PART NO QTY DESCRIPTION
1 20031440 1 U-Bolt, 3/4 NC x 4 x 5.5 long
2 2377 6 3/4 NC x 6 Hex bolt GR5
3 50520162 1 Strut weldment
4 50520163 1 Yoke weldment
5 50530349 1 Scraper
6 50520164 1 Roller weldment
7 90001696 * 7 3/8 NC x 1-1/4 Carriage bolt GR5
8 90101002 2 1-1/4 Insert bearing
9 NSS 4 2-Hole flange
A 50520179 1 Packer asy (Items 4-9)
NSS Not sold separately
* Standard hardware, obtain locally
REF PART NO QTY DESCRIPTION
1 19851 1 Slide lock repair kit 1.38 ID -or-
19837 1 Slide lock repair kit 1.75 ID
2 90317733 1 Slide lock yoke asy 1.38 ID -or-
90318121 1 Slide lock yoke asy 1.75 ID
3 58759 2 Cat 6 CV U-joint repair kit
4 19840 1 CV Bell shield
5 58760 1 CV Body with fitting
6 90318183 1 Yoke & shaft 26.8
7 19846 2 Shield bearing repair kit
8 18864 1 Safety sign
9 55648 1 Centralizer repair kit (not shown)
REF PART NO QTY DESCRIPTION
10 1010819 1 Outer guard & bearing
11 1010820 1 Inner guard & bearing
12 33347 1 Decal, Danger, Guard missing
13 90317909 1 Yoke, tube & slip sleeve
14 58765 1 U-Joint cross & bearing kit
15 1010805 1 Clutch asy, 55 clamp 24K
A 1016108 1 PTO CV 1.38-21 CD P-type 24KE
A 1016109 1 PTO CV 1.75-20 CD P-type 24KE
B 1016127 1 Tractor half asy with guard 1.38
B 1016125 1 Tractor half asy with guard 1.75
(Rev. 8/23/2011)

Related product manuals