EasyManua.ls Logo

Woods S20CD - Page 50

Woods S20CD
74 pages
Print Icon
To Next Page IconTo Next Page
To Next Page IconTo Next Page
To Previous Page IconTo Previous Page
To Previous Page IconTo Previous Page
Loading...
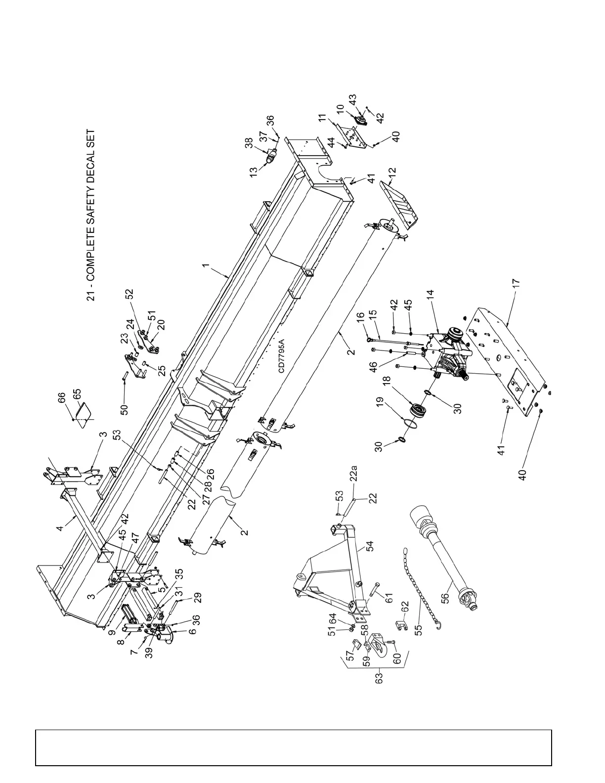
50 Parts
MAN0943 (11/1/2013)
CENTER DRIVE FLAIL SHREDDER FRAME ASSEMBLY
(Rev. 7/25/2015)

Related product manuals