EasyManua.ls Logo

World Cat 330TE 2011 - Battery Management System Diagram

Default Icon
51 pages
Print Icon
To Next Page IconTo Next Page
To Next Page IconTo Next Page
To Previous Page IconTo Previous Page
To Previous Page IconTo Previous Page
Loading...
World Cat
5-15
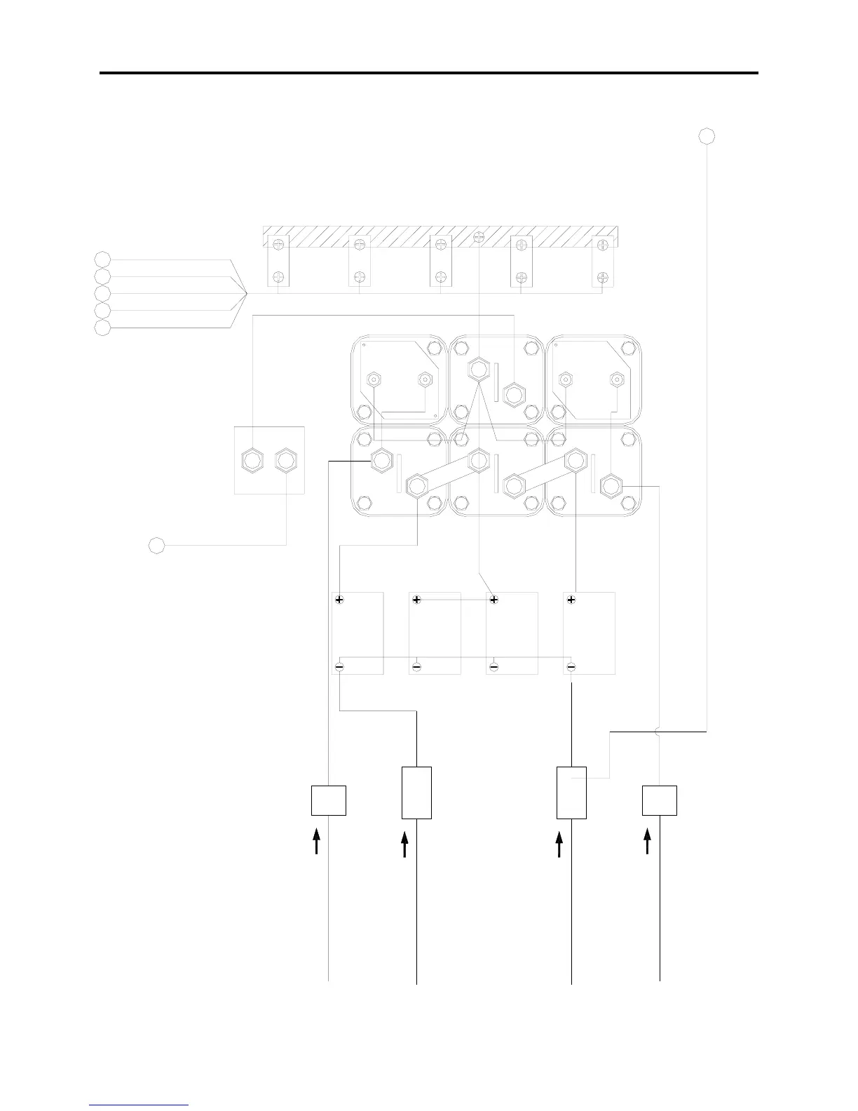
BATTERY MANAGEMENT SYSTEM DIAGRAM
POSITIVE STUD
house
battery
stbd.
start
battery
port engine cranking lead
port
start
battery
B
stbd. engine cranking lead
D
sense
A
E
F
C
24 HOUR CIRCUITS
sense
house negative
14 GA BRN/RED
14 GA BRN/WHT
PORT ENGINE LEAD
PORT ENGINE GRND
NEGATIVE BUSS
POSITIVE STUD
STBD ENGINE LEAD
STBD ENGINE GRND
60
house
battery
43
2 GA RED
38
39
41
42
37
14 GA BRN/WHT
14 GA BRN/RED
14 GA YEL/WHT

Table of Contents

Related product manuals