EasyManua.ls Logo

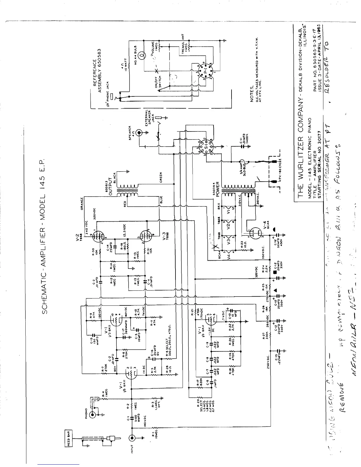
Wurlitzer 140 - Electronic Piano Schematics and Diagrams; Model 145 Electronic Piano Amplifier Schematic

Wurlitzer 140
29 pages
Print Icon
To Next Page IconTo Next Page
To Next Page IconTo Next Page
To Previous Page IconTo Previous Page
To Previous Page IconTo Previous Page
Loading...

Related product manuals