EasyManua.ls Logo

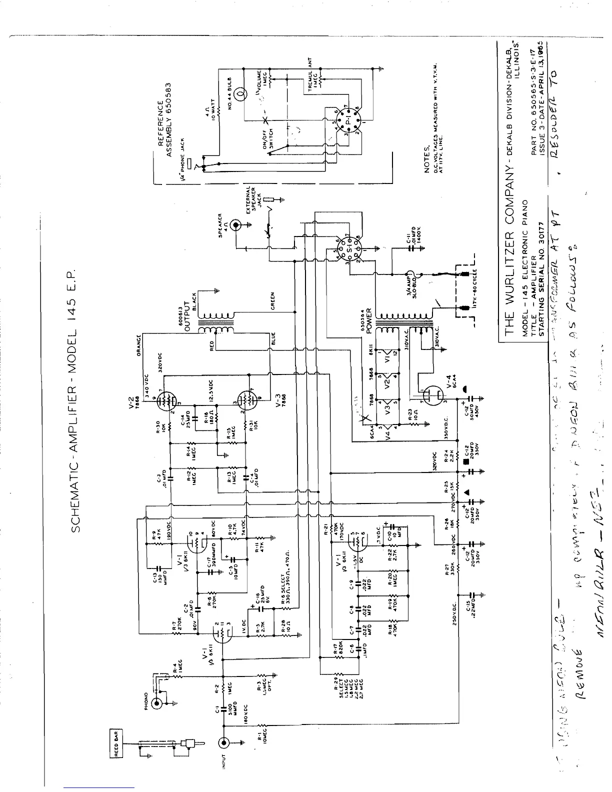
Wurlitzer 145 - Schematic

Wurlitzer 145
29 pages
Print Icon
To Next Page IconTo Next Page
To Next Page IconTo Next Page
To Previous Page IconTo Previous Page
To Previous Page IconTo Previous Page
Loading...

Related product manuals