EasyManua.ls Logo

XAL MOVE IT 1.2 - Wiring Diagrams; Non Dim;Zigbee Dim Wiring; Line Dim Control 0-10 V Wiring

Default Icon
7 pages
Print Icon
To Next Page IconTo Next Page
To Next Page IconTo Next Page
To Previous Page IconTo Previous Page
To Previous Page IconTo Previous Page
Loading...
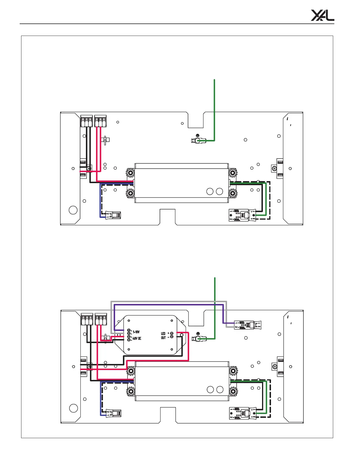
WIRING DIAGRAMS
LINE DIM CONTROL 0-10V
NON DIM/ZIGBEE DIM
MOUNTING INSTRUCTIONS
MOVE IT 1.2 RECESSED
XAL Inc. 150 Hawley Rd. Oxford, CT 06478 T: +1 203.262.9990 www.xalusa.com 2