EasyManua.ls Logo

XFIRE AUDIO EFX3000D - Page 6

XFIRE AUDIO EFX3000D
12 pages
Print Icon
To Next Page IconTo Next Page
To Next Page IconTo Next Page
To Previous Page IconTo Previous Page
To Previous Page IconTo Previous Page
Loading...
_
+
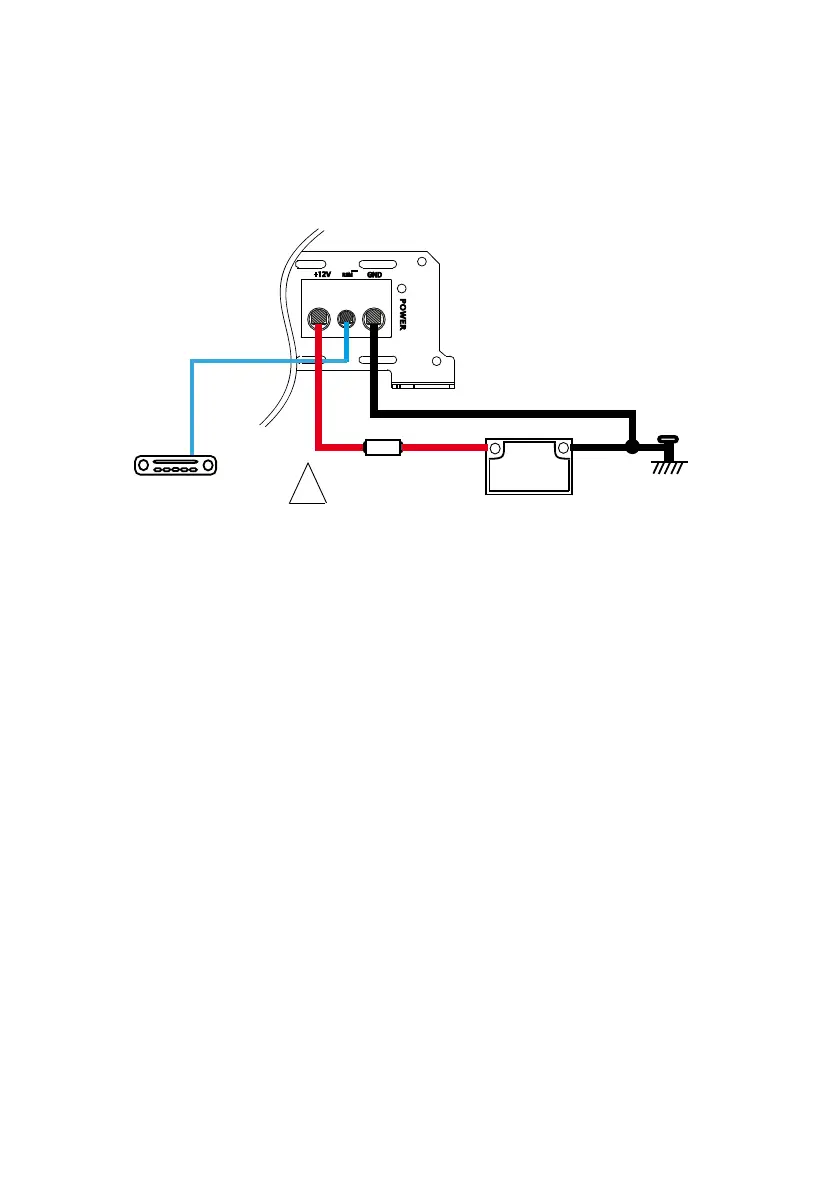
CAR
BATTERY
FUSE
Remote turn on
Ground
Use recommended
fuse rating
!
HEAD UNIT
Connections
1 GROUND (-) Ground connection should be made to the vehicle’s chassis with a clean, bare metal, strong connec-
tion keep the length of the ground wires as short as possible. Always use the same wire thickness as used for the
positive 12V DC connection.
2 REMOTE INPUT (REM)Thisistheconnectiontoturntheamplieronando.Whena+12VDCvoltageisapplied
tothisterminaltheamplierwillswitchon,whenthisvoltageisremovedtheamplierwillswitcho.Usuallythis
is done by the source unit’s remote output. The source unit’s remote output lead or power antenna lead will supply
+12VDCwhentheunitisturnedon.
3 POSITIVE (+12V)Positivepowerconnectionshouldbemadedirectlytothevehicle’sbatterypositive(“+”)ter-
minal.Usetheproperwirethickness(seePowerWiringConnectionchart)andmakesureyouinstallaninline
fuseholder within 18 inches of the battery connection, the fuse rating for each EFX amplifier is given in the speci-
fications.
EFX series LIFE AMPLIFIED

Related product manuals