EasyManua.ls Logo

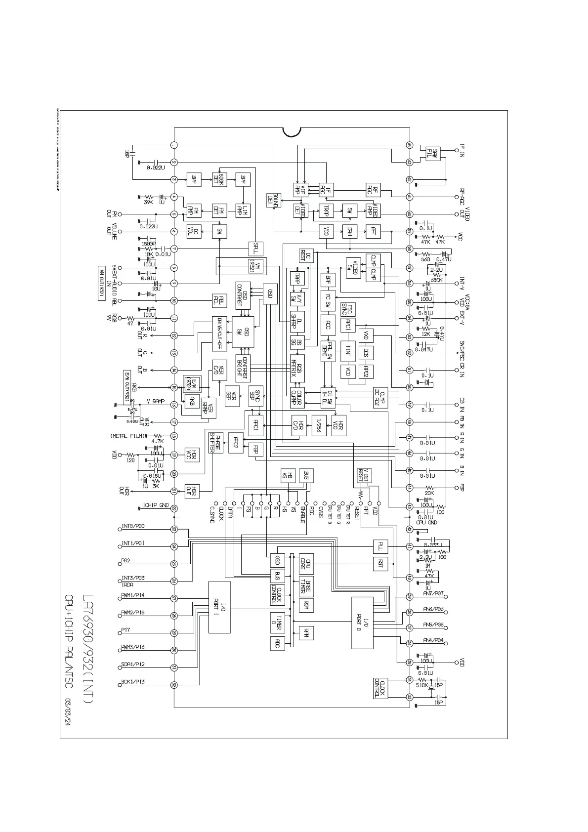
XOCECO LET3250 - IC Block Diagram

Default Icon
36 pages
Print Icon
To Next Page IconTo Next Page
To Next Page IconTo Next Page
To Previous Page IconTo Previous Page
To Previous Page IconTo Previous Page
Loading...
10
MAIN IC
LA76930 BLOCK DIAGRAM