EasyManua.ls Logo

XSY AT1 - Page 9

Default Icon
22 pages
Print Icon
To Next Page IconTo Next Page
To Next Page IconTo Next Page
To Previous Page IconTo Previous Page
To Previous Page IconTo Previous Page
Loading...
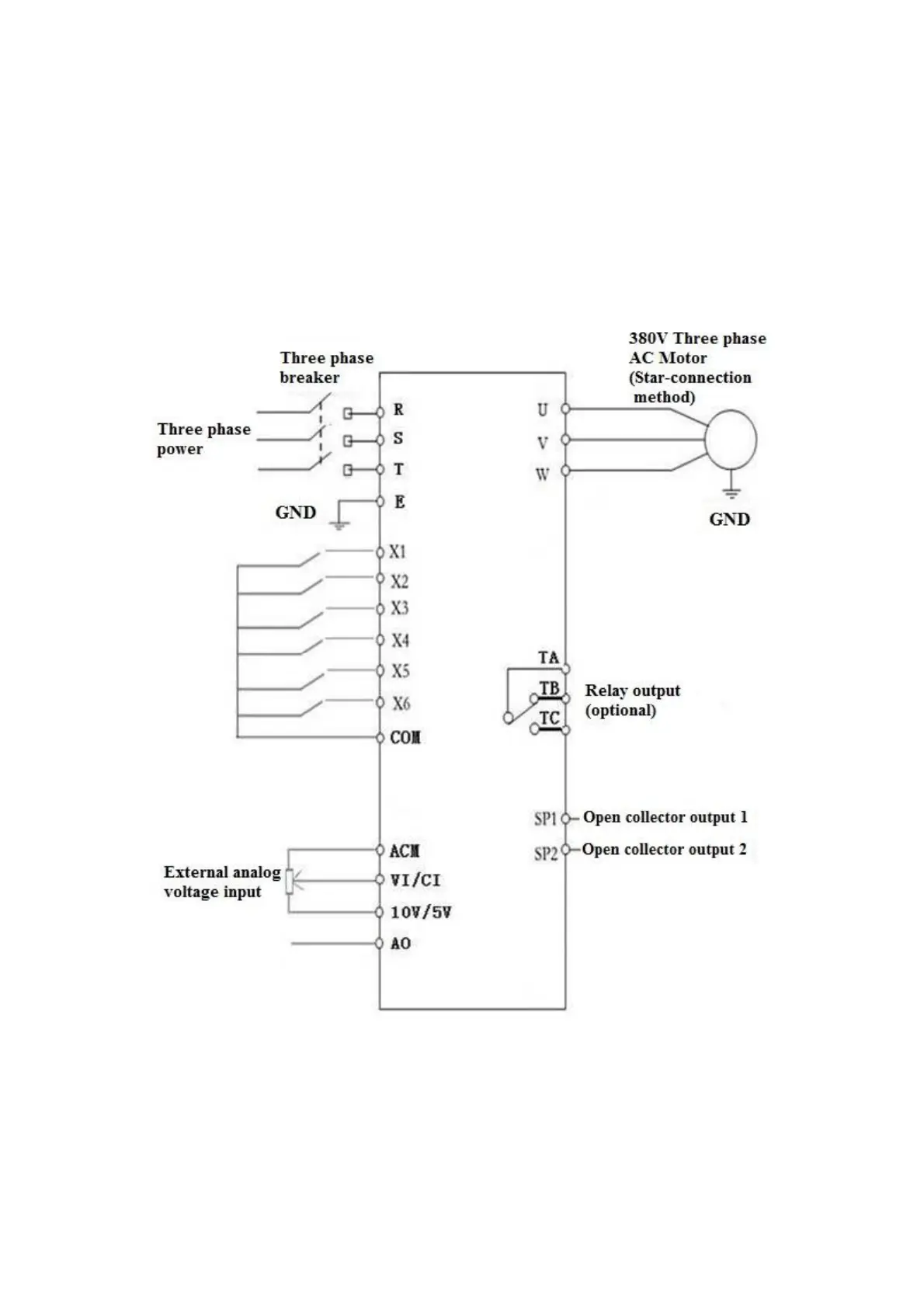
(3). Three-phase input and output (for AT3)
(380V three phase input, connect with 380V three
phase motor)
7

Related product manuals