EasyManua.ls Logo

Yamaha 30DE - Page 182

Yamaha 30DE
226 pages
Print Icon
To Next Page IconTo Next Page
To Next Page IconTo Next Page
To Previous Page IconTo Previous Page
To Previous Page IconTo Previous Page
Loading...
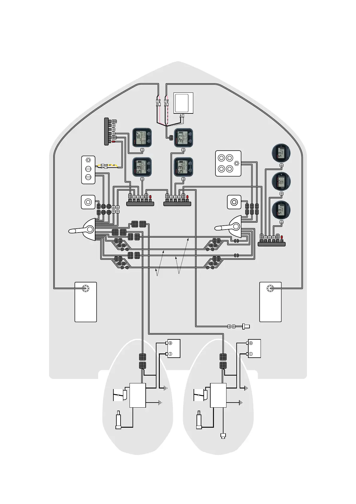
6-16
Fuel tank 2
Fuel tank 1
Tachometer Speed & fuel
meter
Tachometer
2nd helm-harness (3/4/6P)
5m: 6X6-8258A-A0
8m: 6X6-8258A-C0
2nd helm-harness (12P-2P)
5m: 6X6-8258A-B0
8m: 6X6-8258A-D0
ECM
Shift actuator
Electronic
throttle body
Tachometer
Multi-hub
Binnacle twin RC (Main helm)
6X6-48207-10
Main helm
SW panel
6Y8-82570-02
Speedometer
NMEA0183
compatible
GPS
Speed sensor
(OP)
Fuel mgt
meter
Tachometer
Multi-hub
ECM
Shift actuator
Electronic
throttle body
PS
(GND)
(+)
Station
selector SW
6X6-82570-A0
Binnacle twin RC
(2nd helm)
6X6-48207-20
2nd helm SW panel
6X6-82570-10
Station
selector SW
6X6-82570-A0
New main-harness (16P)
7m: 6X6-8258A-10
8m: 6X6-8258A-20
10m: 6X6-8258A-30
12m: 6X6-8258A-40
Multi-hub
Multi-sensor
(Depth, Temp, Speed)
Multi-hub
Fuse (10A)
WIRING DIAGRAMS
F350/F300/F250 [Digital Electronic Control]
DUAL STATION/ TWIN ENGINE

Table of Contents