EasyManua.ls Logo

Yamaha F40FED - Page 50

Yamaha F40FED
226 pages
Print Icon
To Next Page IconTo Next Page
To Next Page IconTo Next Page
To Previous Page IconTo Previous Page
To Previous Page IconTo Previous Page
Loading...
1-44
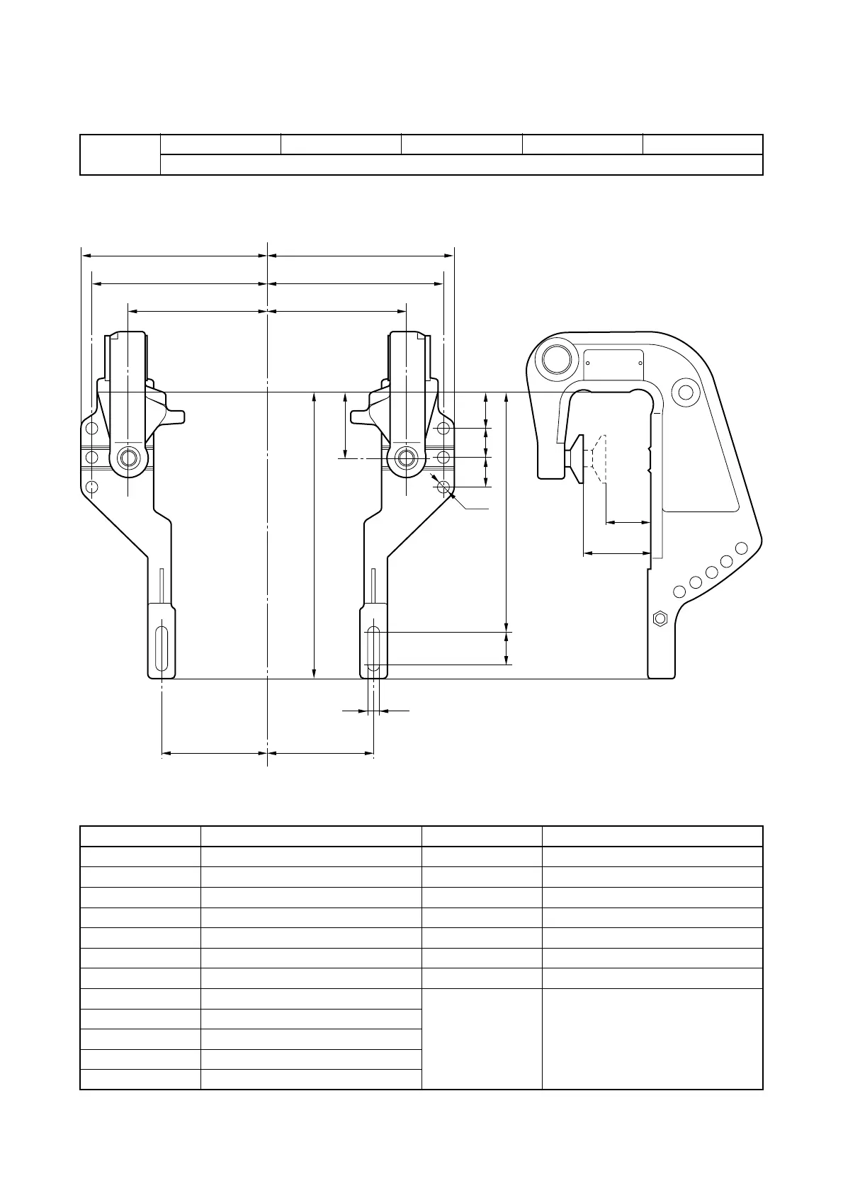
OUTBOARD MOTOR DIMENSIONS
CLAMP BRACKET DIMENSIONS
Model
30D 40V 50H
Manual tilt
Symbol mm (in.) Symbol mm (in.)
B1 62.5 (2.5) C1 30 (1.2)
B2 208 (8.2) C2 66 (2.6)
B3 121.5 (4.8) C3
B4 32 (1.3) D1 10.5 (0.41)
B5 131.5 (5.2) D2 26 (1.0)
B6 245 (9.6) D3
B7 D4
B8
B9 25 (0.98)
B10
B11 90.5 (3.6)
B12 57 (2.2)
B3
B1
1
B5
C/L
B6
B12
D2
B2
B4
B9
B9
D1
D1
B1
B3
B1
1
B5
B1
C1
C2

Table of Contents

Related product manuals