EasyManua.ls Logo

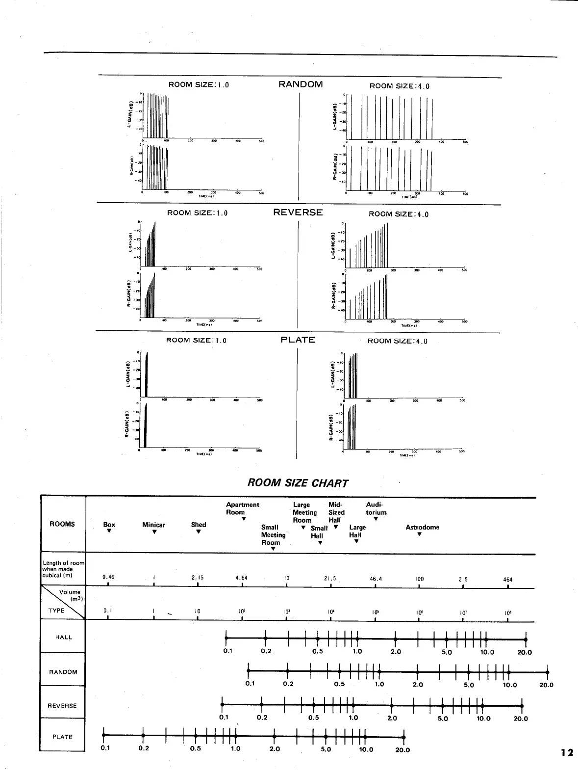
Yamaha REX50 - Room Size Chart

Yamaha REX50
115 pages
Print Icon
To Next Page IconTo Next Page
To Next Page IconTo Next Page
To Previous Page IconTo Previous Page
To Previous Page IconTo Previous Page
Loading...

Related product manuals