EasyManua.ls Logo

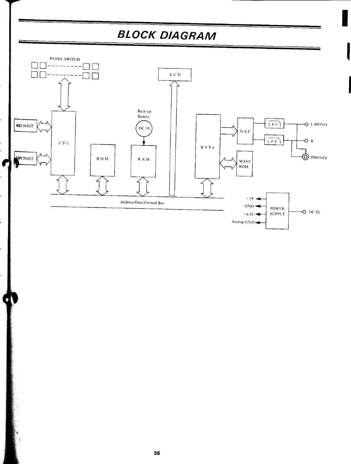
Yamaha RX-21 - Block Diagram

Yamaha RX-21
59 pages
Print Icon
To Next Page IconTo Next Page
To Next Page IconTo Next Page
To Previous Page IconTo Previous Page
To Previous Page IconTo Previous Page
Loading...

Related product manuals