EasyManua.ls Logo

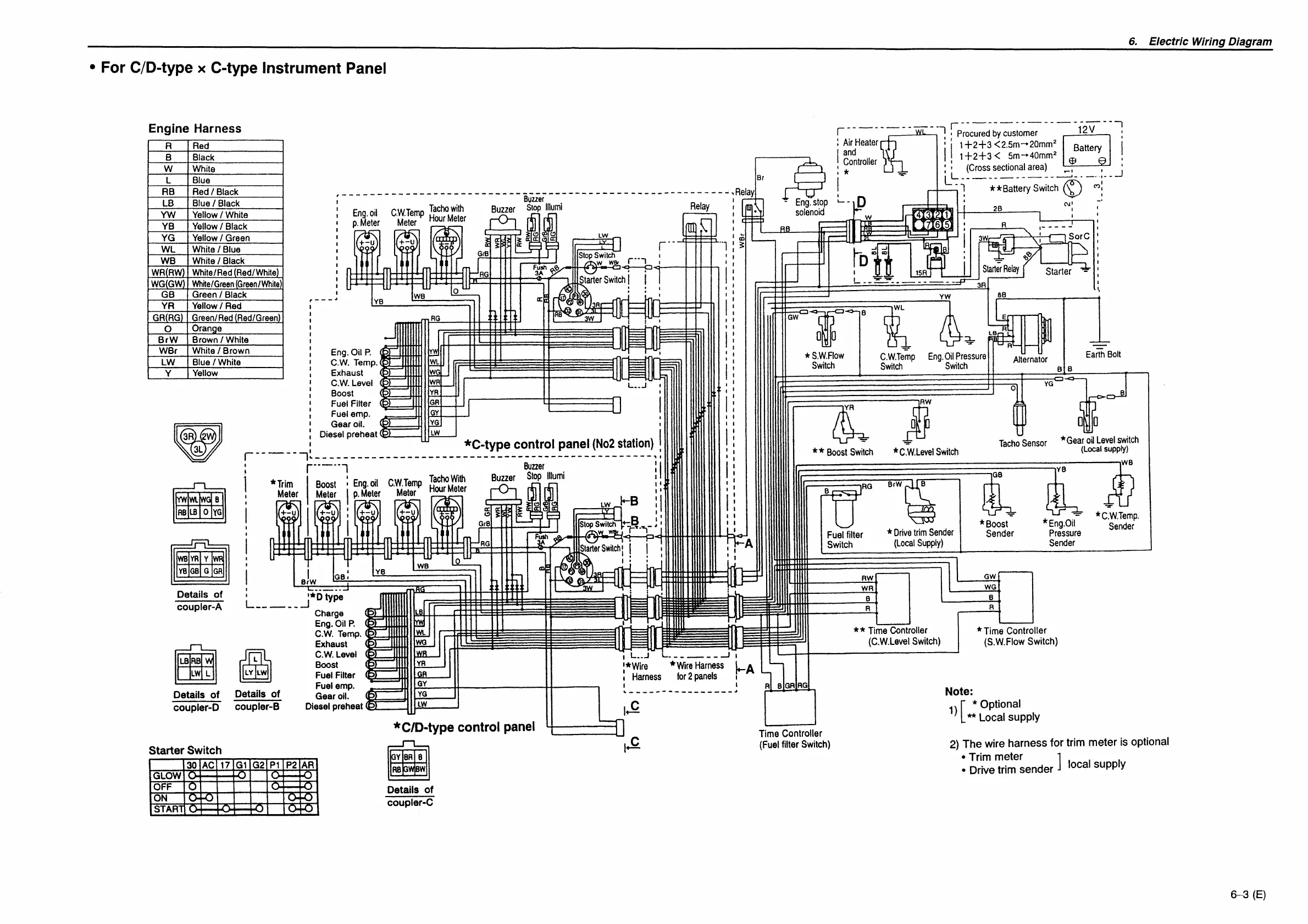
Yanmar 6LP-DTE - Electric Wiring Diagram for C;D-Type X C-Type Instrument Panel

Yanmar 6LP-DTE
247 pages
Print Icon
To Next Page IconTo Next Page
To Next Page IconTo Next Page
To Previous Page IconTo Previous Page
To Previous Page IconTo Previous Page
Loading...

Table of Contents

Related product manuals