EasyManua.ls Logo

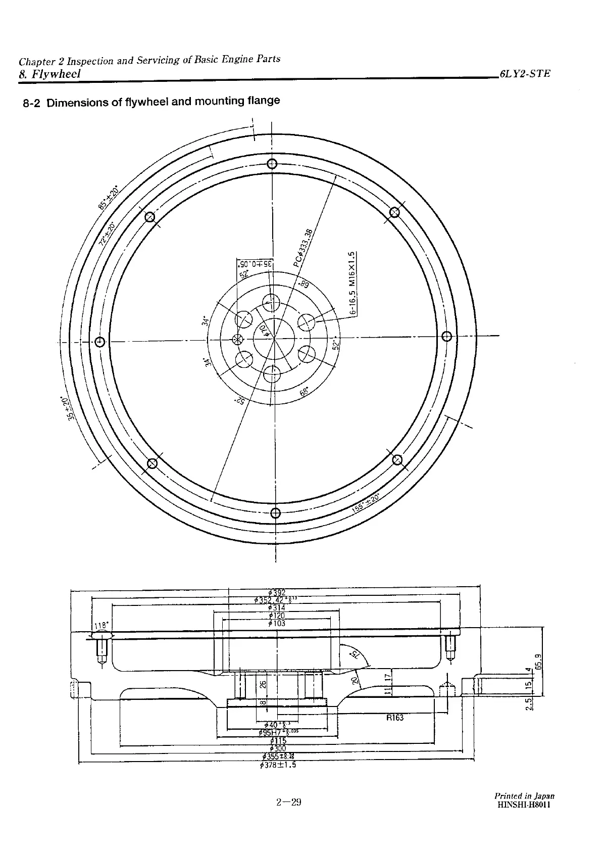
Yanmar 6LY2-STE - Dimensions of Flywheel and Mounting Flange

Yanmar 6LY2-STE
234 pages
Print Icon
To Next Page IconTo Next Page
To Next Page IconTo Next Page
To Previous Page IconTo Previous Page
To Previous Page IconTo Previous Page
Loading...

Table of Contents

Related product manuals