EasyManua.ls Logo

Yard Machines 607 - Page 28

Yard Machines 607
48 pages
Print Icon
To Next Page IconTo Next Page
To Next Page IconTo Next Page
To Previous Page IconTo Previous Page
To Previous Page IconTo Previous Page
Loading...
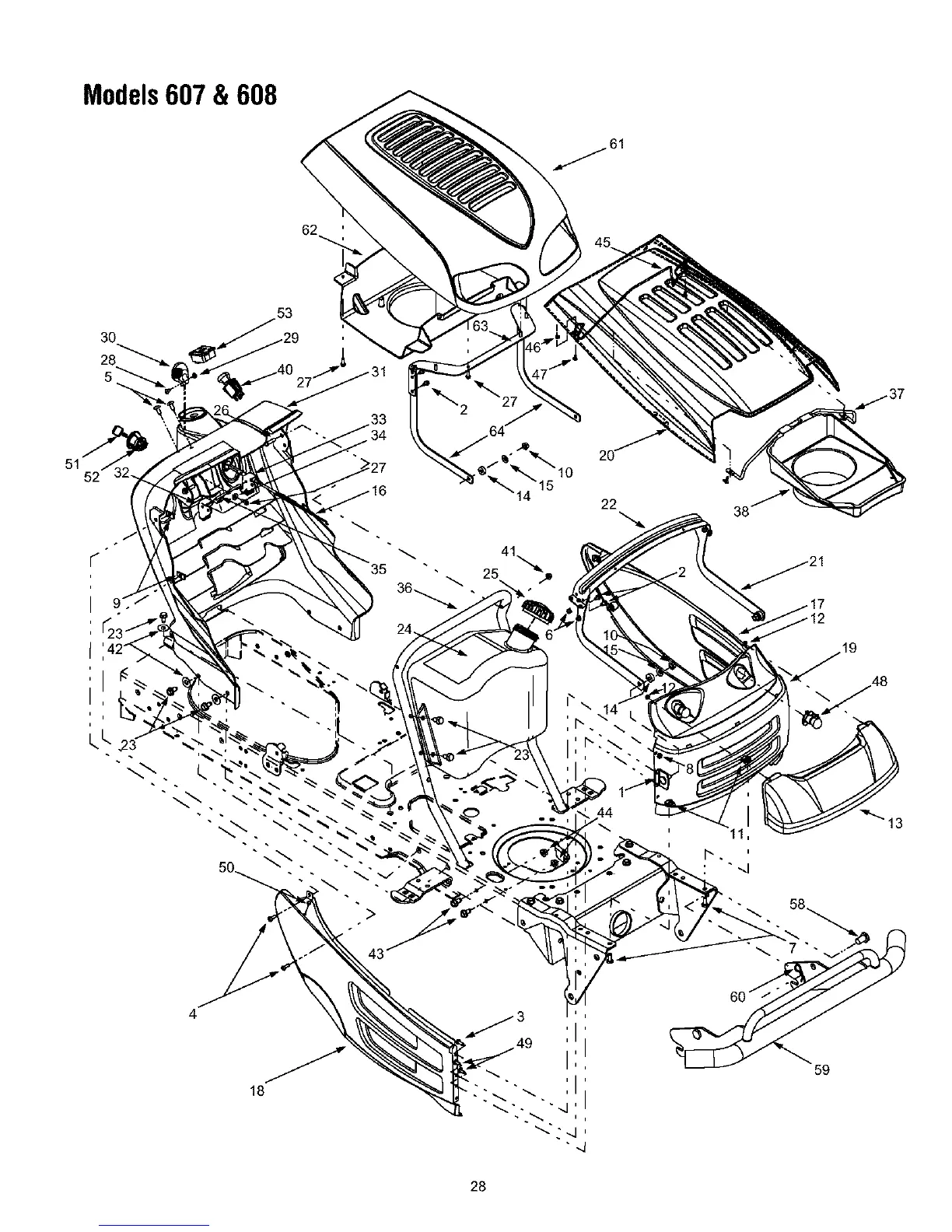
Models607 & 608
62
3O
51
¢
18
20-
22
38
13
11,
28

Related product manuals