EasyManua.ls Logo

Yard Machines 607 - Page 44

Yard Machines 607
48 pages
Print Icon
To Next Page IconTo Next Page
To Next Page IconTo Next Page
To Previous Page IconTo Previous Page
To Previous Page IconTo Previous Page
Loading...
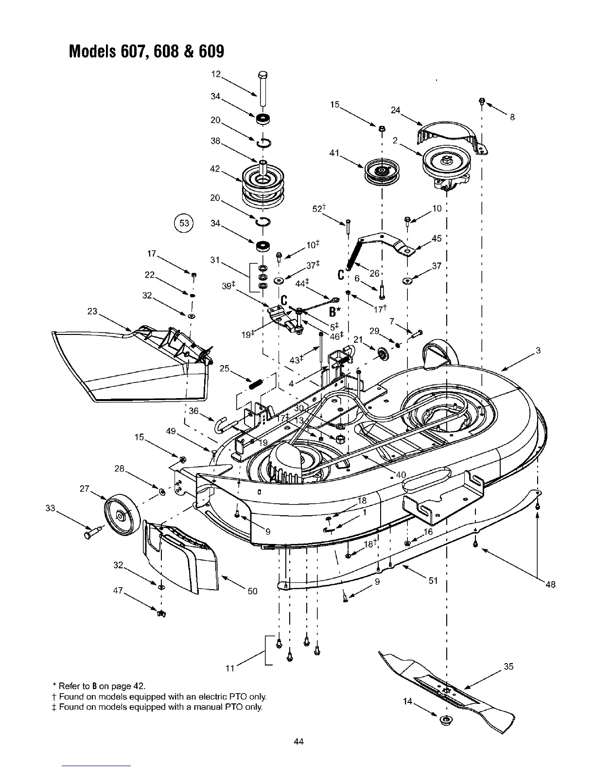
Models607,608 & 609
50
11
* Refer to B on page 42.
"t Found on models equipped with an electric PTO only.
:j: Found on models equipped with a manual PTO only,
44
35

Related product manuals