EasyManua.ls Logo

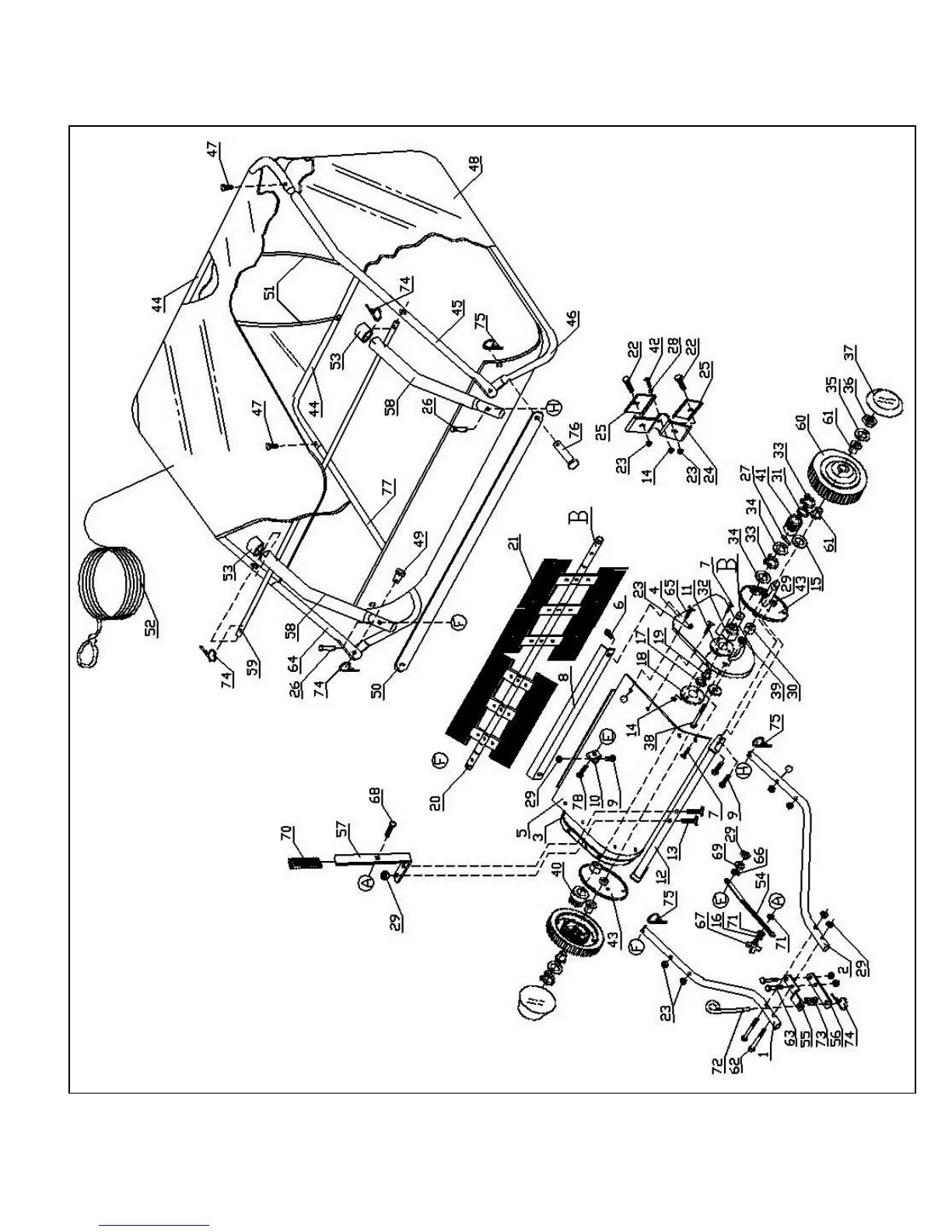
Yard Tuff SP-48 - Diagram and Parts List

Yard Tuff SP-48
20 pages
Print Icon
To Next Page IconTo Next Page
To Next Page IconTo Next Page
To Previous Page IconTo Previous Page
To Previous Page IconTo Previous Page
Loading...
Page of 20
18
DIAGRAM & PARTS LIST

Related product manuals