EasyManua.ls Logo

yellow jacket 95760 - Wiring Diagrams

Default Icon
10 pages
Print Icon
To Next Page IconTo Next Page
To Next Page IconTo Next Page
To Previous Page IconTo Previous Page
To Previous Page IconTo Previous Page
Loading...
Technical Data, cont.
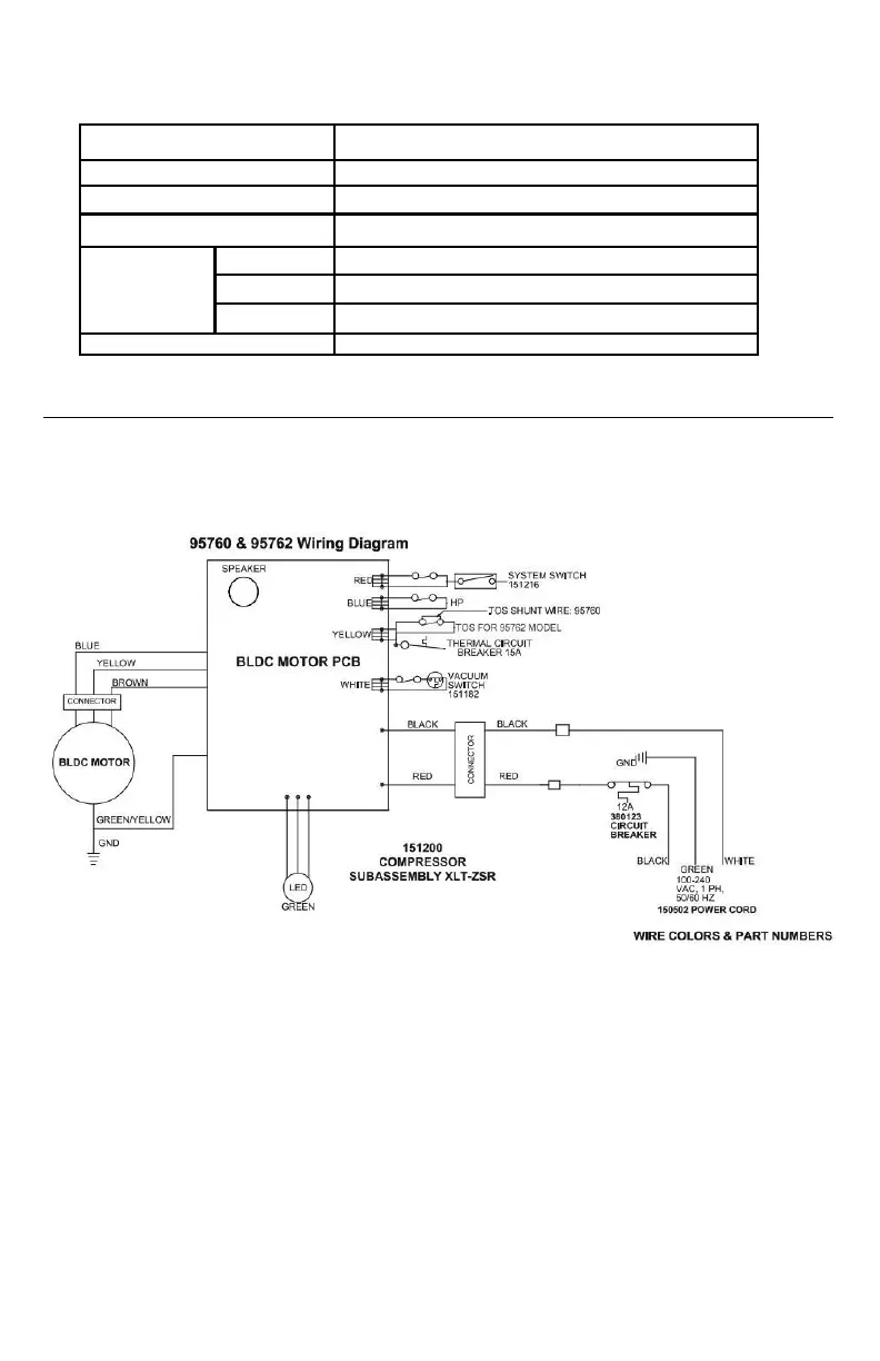
Wiring Diagrams
8
Compressor: 1.25 HP 2 Cylinder Oil-less Reciprocating, Air Cooled
Power Source: 100-240VAC 1ph 50/60Hz
Amperage: 14.0 amps
Motor Type: Variable Speed Brushless DC, 1200-3000 RPM
Size:
Height: 12.50”
Width: 19.25”
Depth: 12.50”
Weight: 26.7 lbs.

Related product manuals