EasyManua.ls Logo

YILMAZ CA 601 - Page 35

YILMAZ CA 601
35 pages
Print Icon
To Previous Page IconTo Previous Page
To Previous Page IconTo Previous Page
Loading...
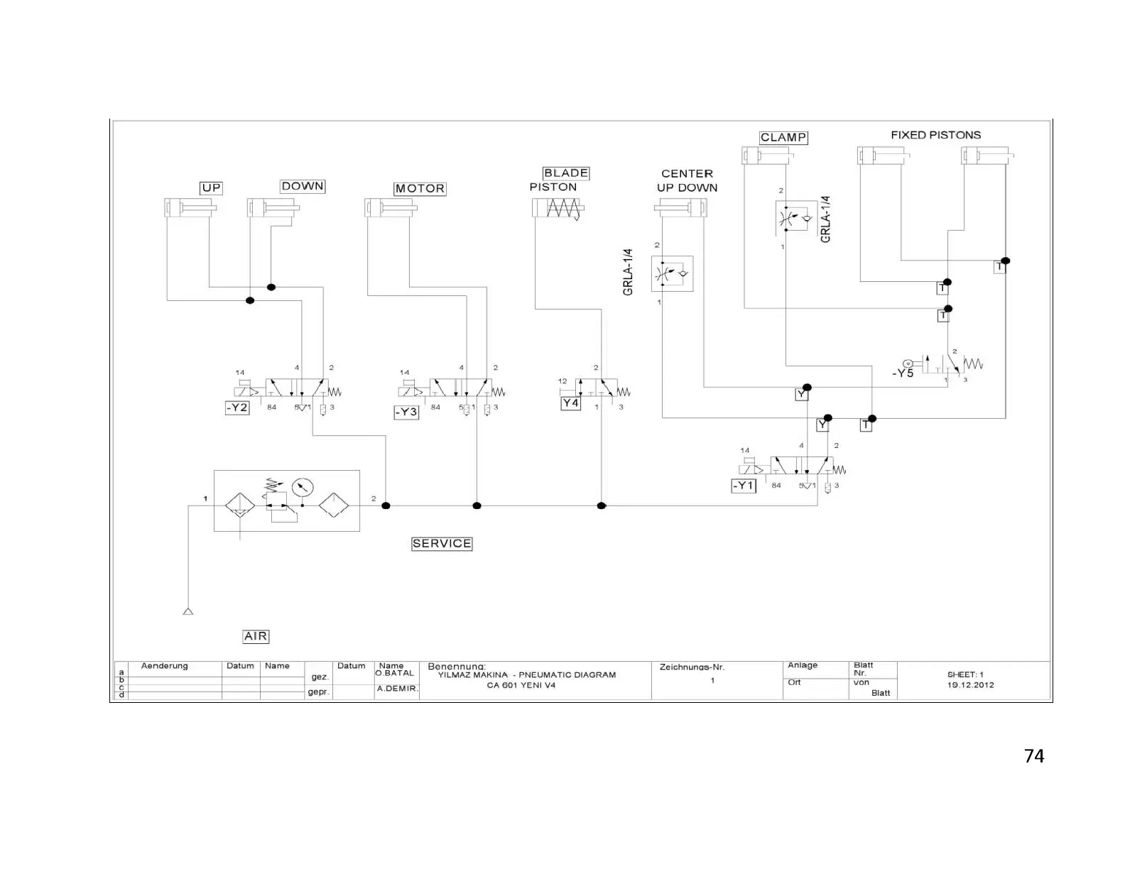
PNEUMATIC DIAGRAM SHEET 1