EasyManua.ls Logo

Zanotti BSB135T02F - Page 74

Zanotti BSB135T02F
86 pages
Print Icon
To Next Page IconTo Next Page
To Next Page IconTo Next Page
To Previous Page IconTo Previous Page
To Previous Page IconTo Previous Page
Loading...
DATA:
REV.nr. FOGLIO nr :
DI
11
RCV101...
RCV102...
AC003
08-05-2003Soncini
DISEGNO nr.
ApprovatoDisegnato
Soncini
DATA: Approvato
MODELLO
L1 NPE
230V/1N~/50Hz
GV
GV GVGV
MA
MA
MAMAMA
BL
BL
BL BLBL
BL GR
MA
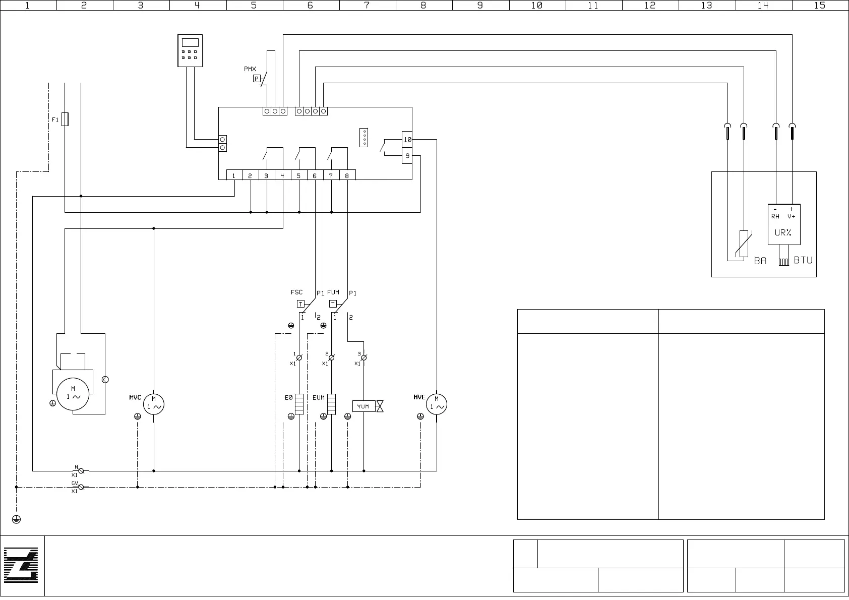
M1=MOTORE COMPRESSORE
MVC=MOTORE VENTOLE CONDENSATORE
MVE=MOTORE VENTOLE EVAPORATORE
F1E=CENTRALINA ELETTRONICA
E0=RESISTENZE CALDO
EUM=RESISTENZE UMIDIFICA
BTU=SONDA UMIDITA'
BA=SONDA TEMPERATURA
LEGENDA
FUM=TERMOSATO UMIDIFICA
FSC=TERMOSATAO SICUREZZA CALDO
F1=FUSIBILE COMPRESSORE
3214
3214
BI R S
-+
GI
MA
BI
VE
MA
+-
NE
RS
NE
YUM=SOLENOIDE ACQUA
2CU0854
2CU0855
2CU0852
2CU0859
2CU0856
2CU0857
2CU0860
PMX=PRESS. DI MAX
NOTE
PMX PRESENTE SOLO SULLE UNITA'
CON VAR. "10" o COND. AD ACQUA
MVC ASSENTE NELLE
MACCHINE CONDENSATE
AD ACQUA
C
S
OL
ma
1
R
2
-
bl
SC
-
M1
Caldo
Fan
HumComp
Supply
+12V
in
HOT KEY
XH240L
ing.dig
gnd
termost
-
+
F1E

Related product manuals